Battle Arena 2 Toshinden
Unknown
Tempest DP-190 2nd Printing
Anti Aircraft (TM-025) [Op-Maint-Serv] (EN)
Al Kossow
House_Dead_Operat[..]
AsPiC
Microsoft Word - 040-1201-01-NFS-S[..]
bmatthews
Nemesis
scanned 2010 by Laschek
MVS_6.qxd
KGenjuro
Nintendo UniSystem JAMMA
Clayton Cowgill
Nintendo Gun service manuel
http://www.arcade-system.com
Nintendo Super System
operation manual
OFFROAD CHALLENGE OPERATORS MANUAL
MIDWAY GAMES INC. (Scan by Maitre_Poulpi - Gamoover)
ocn_main
Han Rockhill
Front Cover
Alex Ball
Offroad Thunder amendment (general)
0
Koma-Code
Open Ice
GN680_HD
Minoda_Hideaki
1
CASEY
OutRunners - Sega
Manual
Outzone
Outrun Upright Parts Manual
P-47 Instruction Maual
JALECO
GQA00_TB,HD
Pac-Man & Ms. Pac-Man
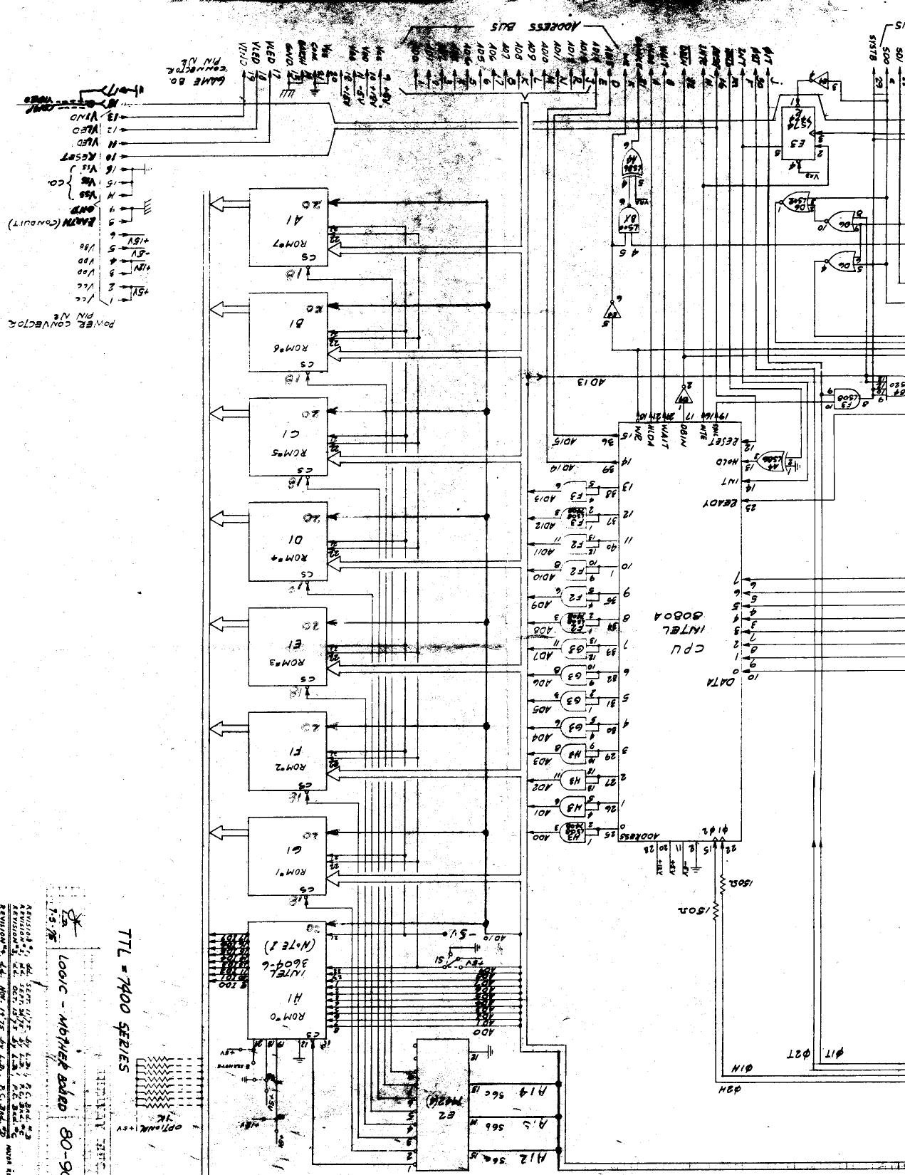
Troubleshooting Logic Board Part 2 (U)
Installation Supplement Manual 10p
JimC
Installation Supplement Manual 2p
Supplement Manual €20c
Pachi Outlaw
Mizuho
www.bigbearpachis[..]
gaku
OWNER'S MANUAL
Pachi Yamasa
Pack'n Bang Bang
Document1
David L. Haynes
Installation Instructions for Replacment Pacman Daughtercards
Clay Cowgill
Pacman MsPacman Troubleshooting Guide Part 1
DLH
Pacman Troubleshooting Guide Part 1
Pang 3 (v2)
Pang 3 Technical Manual
Tom Gröger / Arcadiabay
Pang Manual
Mitchell / Arcadiabay Tom Gröger
Paperboy (TM-275 1st Printing) (Operator's & Parts) (U)
Paperboy Manual
Pengo Owner's Manual
Pigskin Manual / Schematic
dlh@bombjack.org -- www.bombjack.org
Pipe Dream
Planet Harriers
bayz
Play Choice 10 (Operation) (U)
Play Choice 10 Kit (Arm Wrestling-Punch Out-Super Punch Out) ...
Play Choice 10 Kit Manual for Arm Wrestling Punch Out and Super ...
Play Girls
Playchoice cabinet & systeme manuel (single monitor)
Nintendo Playchoice 10 cabinet & système manuel
Pocket Gal 2
Plum Bob TILT unit mounting instruction.pub
lneubecker
C:\InOutBox\Pocke[..] Mod.pdf
JonathanL
Point Blank2 Update 1
Instructions
Poker Ladies
Point Blank Update 1
083100 Manual Pokemon Catch.pub
Pole Position II Enhancement Instructions
Atari Games Inc.
GQB11_HD
Uchino_Ken
Police Trainer
Pop'n Pop Instruction Manual (English)
Tormod Tjaberg/Steve Fewell
Power Instinct