Eight Ball Action Conversion for Donkey Kong
Kevin Eshbach
Goal to Go (Installation & Operation) (U)
Unknown
ClubkartEuropean
Monitors
LAI Monochrome XY KZ-14XYB & KZ-19XYB
Big Run.man
Bio Ship Paladin.man
Biplane (Instructions) (U)
biplane
Birdie King 2 (Schematics & Wiring) (U)
Birdie King 2
Black Widow (SP-234 1st Printing) (Schematic Package) (U)
Black Widow (Backdoor Sheet) (U)
Black Widow (TM-234 1st Printing) (Operator's & Parts) (U)
Black Widow SP-234 1st Printing
BlackTiger Manual
BlackWidow TM-234 1st Printing
Blades of Steel GX797 Schematics
BladesofSteel Manual
Blaster (Service) (U)
Blast City parts (JP)
blaster
Blasteroids (SP-316 1st Printing) (Schematic Package) (U)
Blasteroids SP-316 1st Printing
Blasto Manual
Blasto
Blastoff (jap)
Blazer (jap)
Blitz conversion kit 1997
Block Block.man
BlockOut Manual
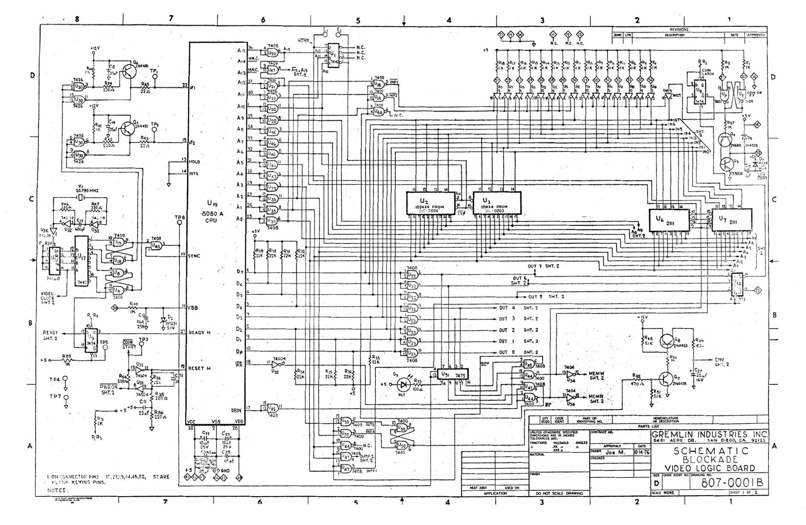
Blockade Owners Manual
Blockade Schematics Rev B
Blockade Schematics Rev D
Blockcade
Blockgal (jap)
Blockout
Blockout (Game Conv. Kit) (U)
Blood Bros (jap)
Blood Storm Confidential
Blood Bros.man
Blood Storm.man
Bloody Roar 2.man
Bloody Wolf.man
Blueprint (Parts & Operating) (U)
blueprint
Boardwalk Casino (Conversion Kit) (U)
Boardwalk Casino
Bomberman (J)
Bomberman (Japanese) [ALTERNATE]
Bomberman Cutout Instructions (Japanese) [ALTERNATE]
Bomberman Dip Switches (Japanese) [ALTERNATE]
Bomberman
Bombjack (jap)
Boomer Rang'r.man
Boot Camp.man
borderline
Borderline (Owner's) (U)
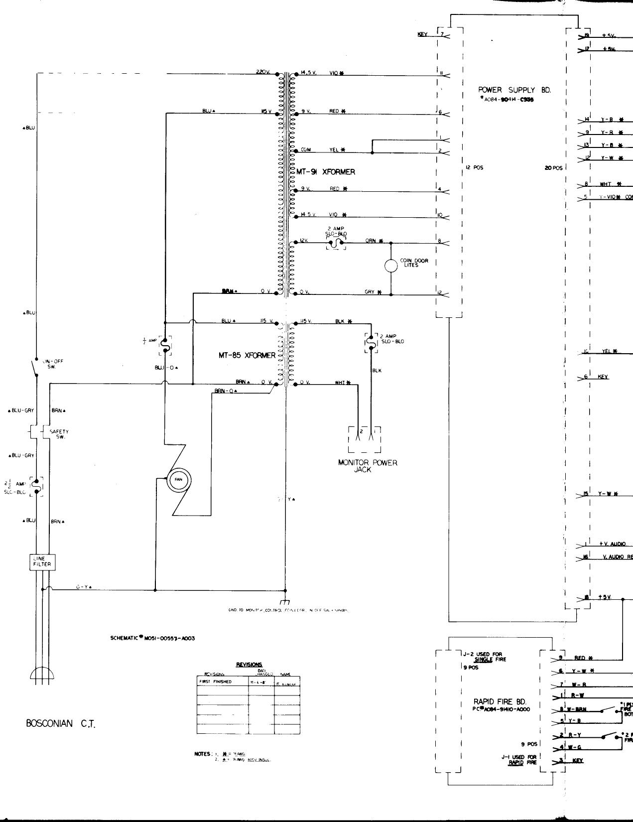
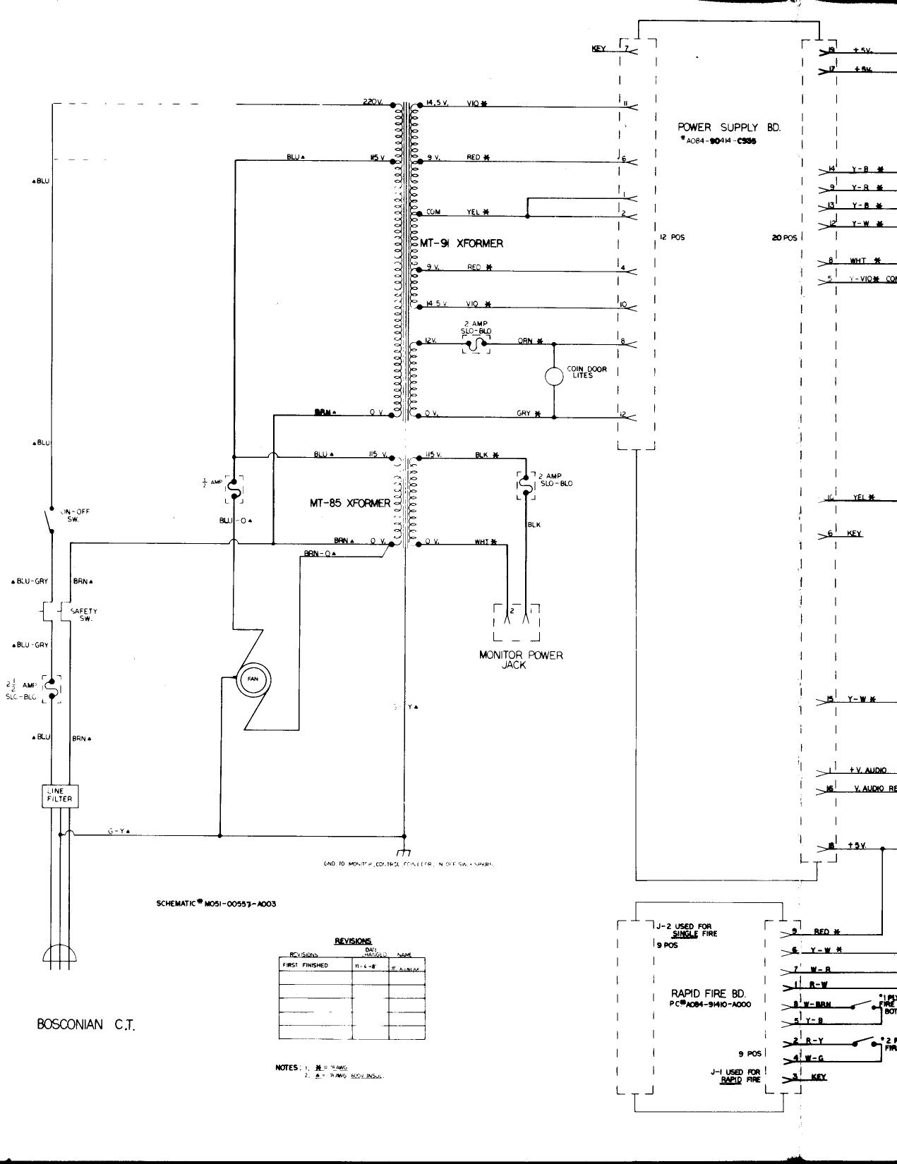
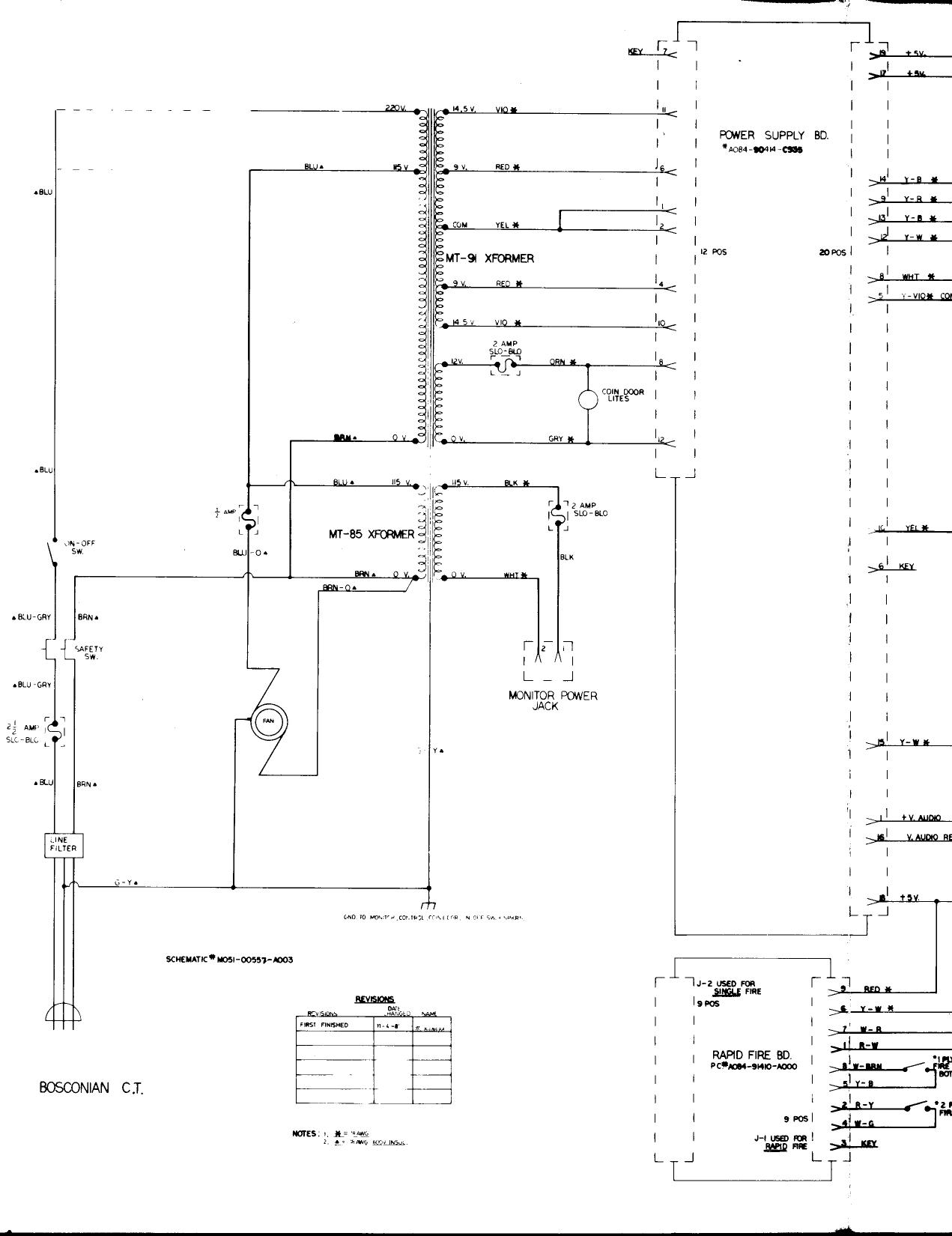
Bosconian (Schematics) (U)
Bosconian (General Instructions)
Bosconian Schematic
Bosconian Schematics
Bottom Of The 9th
Bottom Of The Ninth (Instructions) (U)
BowlORama.man