Ice Cold Beer / Zeke's Peak
DLH
PM0355-21 2010.pmd
lkalb
Sprint One (IPC-095 1st Printing) (Op Info & Parts) (U)
Unknown
Dig Dug SP-203 1st Printing (Schematic Package) (U)
Cool Pool
CoolPool Manual
Cop N' Robbers (TM-059 1st Printing) (Op-Maint-Serv) (U)
Cop 01 (jap)
Cops (Schematics) (U)
Cops (Operator's) (U)
Cops CO-398-01 1st Printing
Cops Misc Pages faxed by Atari
Cops Schematics
Cops TM-398 1st Printing
Cops n Robbers TM-059 1st Printing -2-
Cops n Robbers TM-059 Spare Parts List
Cops n Robbers TM-059 1st Printing
Cops
Cosmic Alien (Op-Maint-Serv) (U)
Cosmic Alien
Cosmic Avenger (Op-Maint-Serv) (U)
Cosmic Avenger
Cosmic Chasm (Electronics) (U)
Cosmic Chasm
Cosmic Guerilla (Op-Maint-Serv) (U)
Cosmic Guerilla
Cosmic Monsters.man
Cosmo Gang Preliminary Manual
CosmicGuerilla Manual
Cosmo Gang the pazzle (jap)
Cosmo Gang the video (jap)
Cowboys of Moo Mesa (Instructions) (U)
Cowboys of Moo Mesa
Crack Down (jap)
Crack Down.man
Crash 'N Score (TM-048) (Op-Maint-Serv) (U)
Crash (July 1979)
Crash (U)
Crash N Score TM-048
Crash Bulletin (June 1979)
crash
Crazy Balloon (Service Ins & Parts) (U)
Crazy Castles (Backdoor Sheet) (U)
Crazy Balloon
Crazy Climber (Nichibutsu) (Service Ins.) (U)
Crazy Climber (Taito Trimline) (72-0001-001 Rev 1)
Crazy Climber (Nichibutsu)
Crazy Climber (Taito) (Upright) (U)
Crazy Climber Upright (Taito)
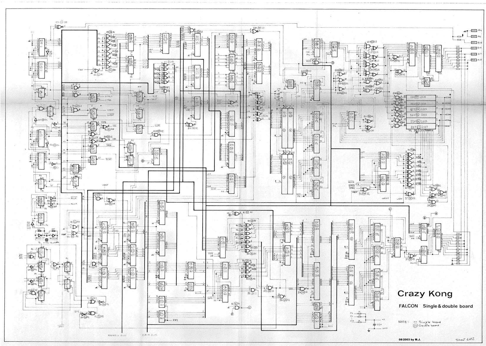
Crazy Kong (Falcon) Schematics
Crazy Kong (Dip & Pin) (U)
Crazy Kong (Schematics) (U)
Crazy Kong Schematics
Microsoft Word - Manual_Crazy Taxi High Roller_Rev 0.doc
CrazyClimber Manual
CrazyTaxiHRSchema[..]
Crime City.man
Crime Fighters (Instructions) (U)
Crime Fighters 2 (jap)
Crime Fighters
CrimeFighters Manual
Crisis Zone Standard Update 1
Crossbow (Ver. 2) (Op & Service) (U)
Crossbow Version 2.0