Total Carnage Manual Amendment (16-40010-AMD-1)
Unknown
1000 in 1 Baby Star P4-4P
Tournament Table TM-113 1st Printing
NBA Jam Tournament Bracket
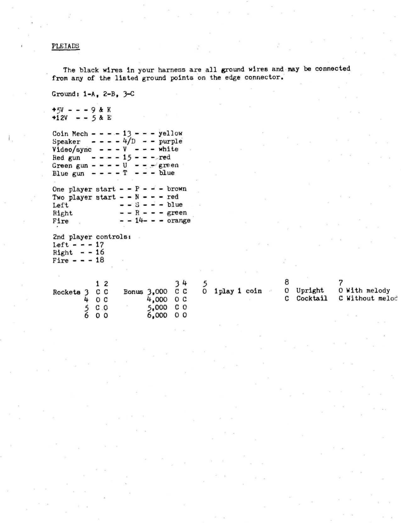
Pleiades (Service Bulletin)
NBA Jam Tournament Signup Sheet (16-9502-1)
Ninja Gaiden Service Bulletin
Yie Ar Kung Fu Bulletins
Yie Ar Kung Fu Owners Manual (Japan)
Yie Ar Kung Fu Kit Instruction Manual
Moon Cresta Operating Instructions and Service Manual (420-0518)
Moon Cresta Owners Manual (420-0518)
NBA Jam Kit Operations Manual (16-43123-101) April 1993
NBA Jam Operations Manual (16-40023-101-b) Jan 1993
Mania Challenge
Moon Cresta Service Manual (Nichibutsu)
Pleiades Service Manual (370-10-0100)
Crazy Climber (Taito Trimline) (72-0001-001 Rev 1)
Devastators Instruction Manual
The Main Event Instruction Manual
Desert Assualt Conversion Kit Manual (780-0205-00)
Ninja Gaiden Service Instruction Manual
Karate Champ Service Bulletin
Karate Champ Installation Instructions
Master of Weapon (Dips Pinouts)
UFO Robo Danger Pinouts Dips (Japan)
My Hero (Dips Pinouts Wiring)
Knockout Service Manual
The Combatribes Instruction Manual
Nastar Warrior Operating Manual
The Ninja Warriors Instruction Manual
WWF Wrestlefest Supplement (Connections Dips)
WWF Westlefest Instruction Manual
Targ Operators Manual V1.1
Targ Operators Manual V1.0
Thief (GDI)
Star Raker Schematics
Zaxxon Service Note 001 (04-16-1982)
Sprint 1 TM-095 1st Printing
Sega Parts Numbers
Star Trek Cockpit Service Note 83-013 (5-16-1983)
Zaxxon Service Note 008 (08-09-1982)
Zaxxon Service Note 007 (08-09-1982)
Zaxxon Service Note 006 (07-15-1982)
Zaxxon Service Note 005 (07-14-1982)
Zaxxon Service Note 009 (08-09-1982)
Zaxxon Service Note 010 (08-16-1982)
Zaxxon Service Note 012 Joystick
Zaxxon Service Note 004 (07-07-1982)
Zaxxon Service Note 002 (08-09-1982)
G-80 Power Supply (Service Note 001)
Monster Bash (Service Note 001) 11-24-1982
Tac-Scan Service Note 002 (11-24-1982)
Frogger (Service Note 008) 11-24-1982
Kid Niki Radical Ninja Conversion Kit Addendum
Kid Niki Radical Ninja Conversion Kit (780-0052-00)
1.pdf
OR2 SP SDX OWNERS
bowler
Outrun Special Service