Bomberman
Unknown
Bombjack (jap)
Boomer Rang'r.man
Boot Camp.man
borderline
Borderline (Owner's) (U)
Bosconian (Schematics) (U)
Bosconian (General Instructions)
Bosconian Schematic
Bosconian Schematics
Bottom Of The 9th
Bottom Of The Ninth (Instructions) (U)
BowlORama.man
Boxing Bugs (U)
Boxing Bugs
Brave Blade
Brave Firefighters DX Addendum Wiring Diagrams
Brave Firefighters DX Wiring Diagrams
BraveBlade (J)
BraveFirefighters
BraveFirefighters SCHEM
Break Thru.man
Breakout (Op-Maint-Serv) (U)
Breakout
Bubble Bobble (Schematics) (U)
Bubble Bobble (Instructions) (U)
Bubble Bobble (jap)
Bubble Bobble Schematics
Bubble Bobble
BubbleBobble Manual
Bubbles (Drawing Set) (U)
Bubbles (Instructions) (U)
Bubbles - Instruction Manual
Bubbles Manual
Buck Rogers (Owner's) (U)
Buck Rogers
Bucky Ohare.man
Bullet Mark Schematics
Bullet Mark (Missing Pages 7 & 9)
Bullet Mark Model B1 Gun Alignment Procedures
Bullet Mark
Bump & Jump.man
BurgerTime Manual
Burgertime
Buster Bros
Burning Force (jap)
But-ten ohara (jap)
BusterBros Manual
CF330 Applications Design Guide GB
CF340 Creditor Applications Design Guide GB
CKong Schematic
Front Plate Applications Guide
Cabal Manual
Cabal
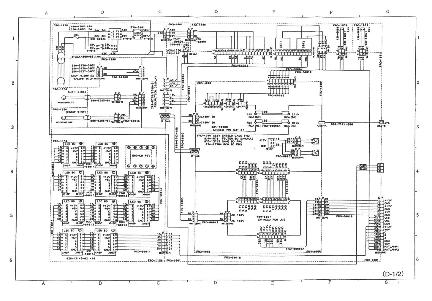
Cabinet wiring diagram
Cadash (jap)
Cadillacs Manual
Cadash.man
Cadillacs and Dinosaurs (U)
Cadillacs and Dinosaurs