720 Joystick
DLH
Arabian
Atari Gauntlet
Atari Gauntlet ST-284 1st Printing
Atari Gauntlet TM-284 1st Printing
Blaster Manal Amendment
CarnEvil 2 Player Dedicated 25" Video Game
Centipede 1st game to receive UL Listing
CO-TM162-01
Crossword Puzzle
Ice Cold Beer
Ice Cold Beer / Zeke's Peak
Jungle Hunt
Major Havoc CO-252-04 1st Printing
Major Havoc CO-267-01 1st Printing
Major Havoc CO-267-02 1st Printing
Make Trax
MCR II Troubleshototing Guide
MCR III
Mini-Track Ball Version
Miscellaneous
Missile Command Sit-Down Manual
Missle Command Cocktail Manual
Missle Command TM-162
Missle Command Upright
Pac-Man & Ms. Pac-Man
Pacman MsPacman Troubleshooting Guide Part 1
Pacman Troubleshooting Guide Part 1
Pengo Owner's Manual
Quadrascan XY Monitor
Quantum
Quantum Schematics
Quantum Service Maunal
Service Bulletins
Splat Instruction Manual
Splat Interface Schematic
Star Wars Cockpit
Stargate
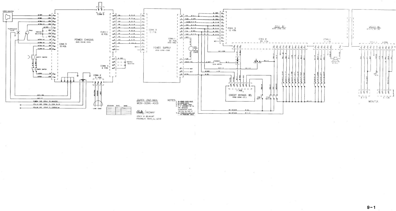
Super Pacman & Mappy
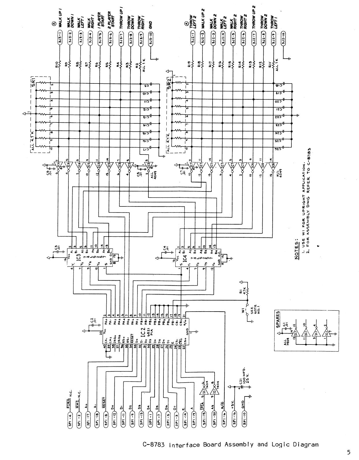
Super Pacman Schematics