Atari Audio PCB Assembly (Reg 3) (Parts & Schematics) (U)
Unknown
Circus Charlie
Golden Tee 3D Golf
scannes 2010 by Laschek
Sky Raider (TM-111 1st Printing) (Op-Maint-Serv-Pa[..] (U)
Xevious 3D/G
Tormod Tjaberg
X-men.man
X-Men vs. Street Fighter (Operator's) (U)
X-Men vs Street Fighter
X-Men Children of the Atom (U)
X-Men Children of the Atom
X-Men 4 Player Instruction Manual
X-Men (6 player)
William Miekka
X-Factor Crane Service Manual.pub
jostrow
www.bigbearpachis[..]
gaku
wwfrr-bulletin1
wwfrr-brochure
WWF Wrestlefest Supplement (Connections Dips)
WWF WrestleFest (Instructions) (U)
WWF Westlefest Instruction Manual
WWF Royal Rumble.man
WWF Manual
Sega
wrgp-brochure
Wrestlefest
Wrestle War.man
Wrestle Mania Kit
wr-brochure
World Soccer Finals.man
World Series 99 Controls
World Series 99 (Naomi Kit) Wiring Diagrams
World Rally Kit TM-391 3rd Printing
World Rally 2
Twin Racing (Operator's) (U)
World Rally
Gaelco
World Kicks Update 1
JimC
World Cup 90 (Service) (JA)
World Cup 90
World Class Bowling.man
World Class Bowling
Works.PDF
Word Pro - GB_CF126&129_USER[..]
LEONILOU
Word Pro - GB_CF126&129 QUICK REF GUIDE_707403044G1[..]
WonderBoy.man
wlb-100 manual
Wizz Quiz
Staycare Mngmt
Wizard of Wor (Parts & Operating) (U)
Wizard of Wor (General Instructions)
Wizard of Wor
Wizard Fire.man
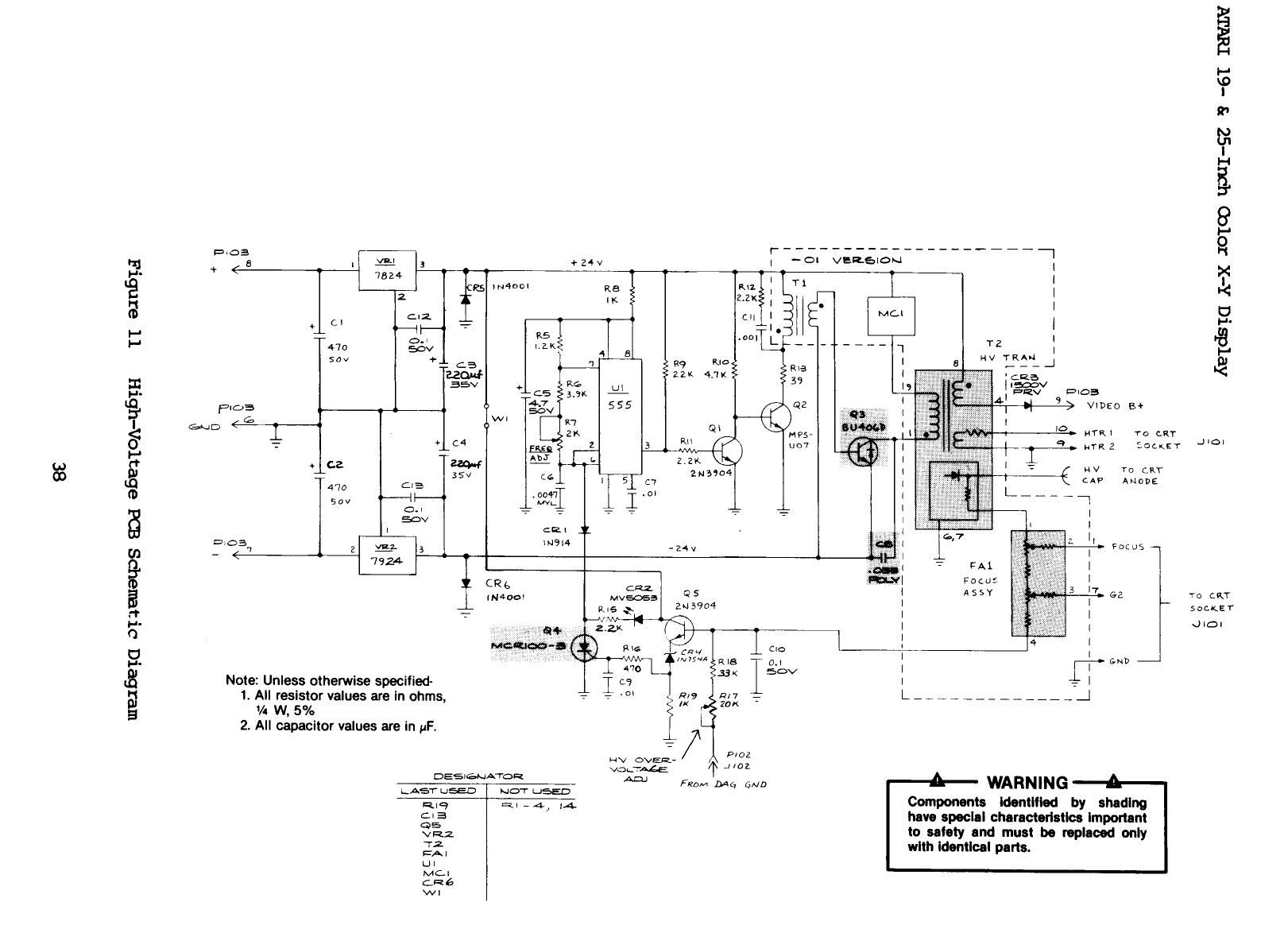
Wintron Atari 19 & 25in Color XY Display (Schematics) (U)
Winner.man
Winner Manual
Wing-Shooting.eps
lneubecker
WindyII-Manual
Windy II
()
Willow Manual
Willow (Kit Instructions) (U)
Willow
WildWestern Manual
Wild Western (Upright) (U)
Wild Western
Wild West Cowboys.man