MotorCross Go DX Update 1
JimC
Jack The Giant Killer Schematics
Unknown
manuale invasion.pdf
Cobra Command Conversion for Inter Stellar (Installation Instructions) ...
Frogs
Blasto
Blasto Manual
Supplement Manual €20c
Taito GTC-100 Univesal Cabinet Service Instructions
Bullet Mark Schematics
Meadows 3-D Bowling Schematics (partial)
Tic Tac Quiz Sega
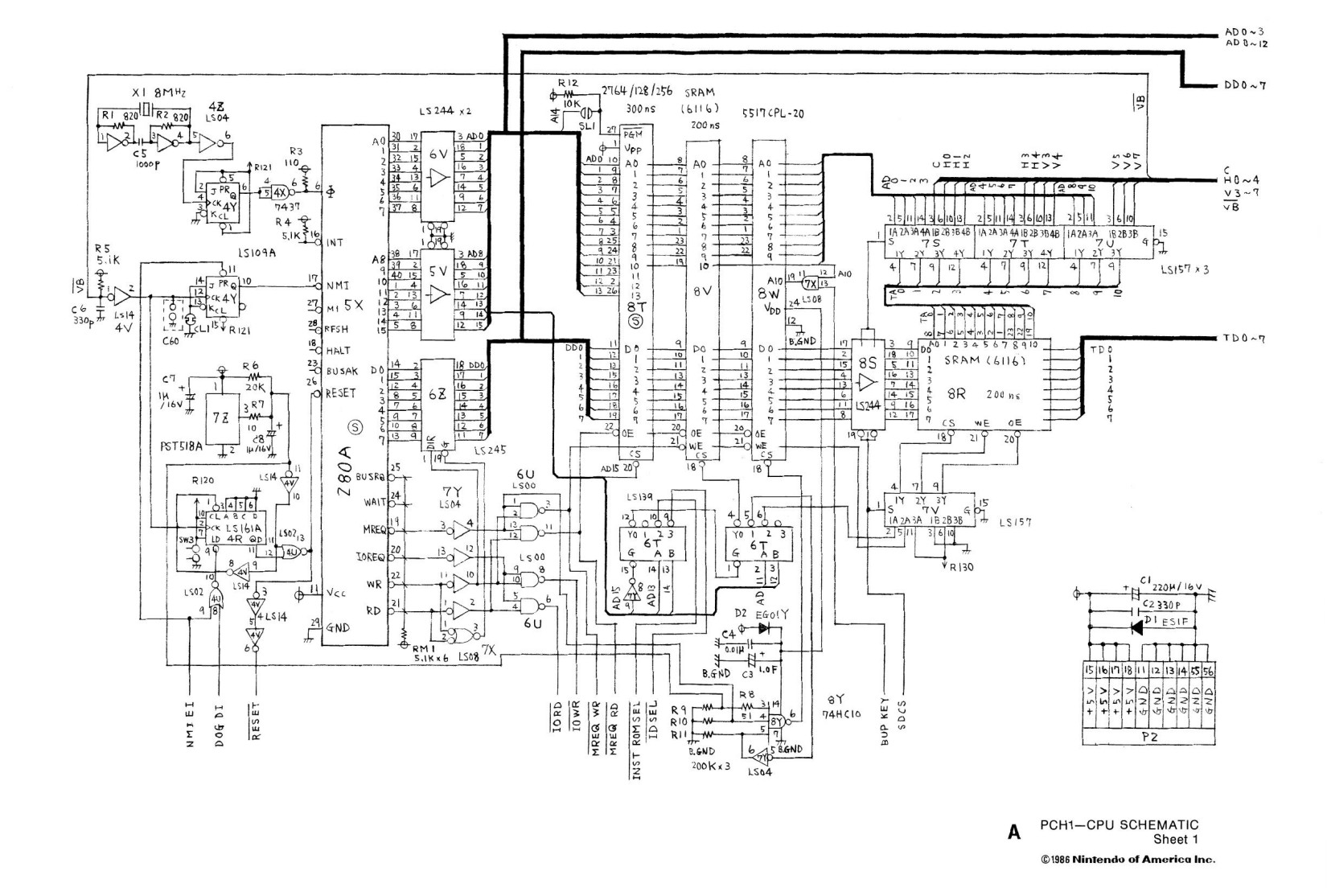
Playchoice 10 Schematics
Night Stocker Field Conversion Kit
Forgotten Worlds (Capcom) CPS Schematics
Venture Technical Manual 1.0
Thief (Pacific Novelty)
Meadows Gypsy Juggler
Gypsy Juggler.man
Attack Schematics
Attack Manual
Sidetrak Errata
Off Road
Cosmo Gang Preliminary Manual
Data East 1US5 DECO Cassette System
Fhoenix
Tank TM-10 Board II Schematics Rev. H
Outrun Standard Sitdown
Flim-Flam
TacScan Preliminary
Tetris Kit TM-328 2nd Printing
Thunder Cross Schematics
Regulus Schematics
Arkanoid Tournament
Comotion
Journey
Journey Manual
Blockcade
Blockade Owners Manual
Congo Bongo Manual
Congo Bongo (Prelimanary Manual)
Warrior Operation and Maintenance Rev1
Castle of Dragon
Congo Bongo Schematics
Atari System 1 SP-286 1st Printing
Xybots SP-313 1st Printing
Cops CO-398-01 1st Printing
Cops Misc Pages faxed by Atari
Gain Ground
Regulus
Regulus Manual
MANX TT DELUXE
1942 (Williams)
Laser Ghost
Thunder Cross
THE HOUSE OD THE DEAD 2 DX
THE HOUSE OF THE DEAD 2 UR
SCUD RACE TWIN
SEGA_Rally
Beast Busters 2
Star Wars TM-225 1st Printing
Dig Dug SP-203 4th Printing
boogie_wings.qxp
Andreas