Millipede (TM-217 1st Printing) (Op-Maint-Serv-Pa[..] (U)
Unknown
Namco Classics Vol 1
Meadows Lazer Command
Scanned by Jess M. Askey
Space Ace Operators Manual Euro
No Slide Title
Chuck Rabiola
Monitors
WG19-CCO (Schematics Only)
Wells Gardner 13k4705 13k4706 13k4713 13in
Wells Gardner 13k7203 19k7203 13in & 19in
W & Wells Gardner 19V1001 19V1003 19in & 23in B
Wells Gardner 19k4600 19k4625 19k4675 19k4676 19k4677 19in
Wells Gardner 19V2000 XY B & W
Wells Gardner 19k4901 19k4906 19k4951 19k4956
ÿÿÿÿýÇ^
Wells Gardner 19k4915 Atari TM-281 4th Printing
Wells Gardner 25k5515 Atari TM-295 1st Printing Meduim Res
Wells Gardner 6100 Input Protection (M. Spaeth Mar-12-02)
Wells Gardner K7000
Wells Gardner U5000
Wells Gardner V1002 Cocktail
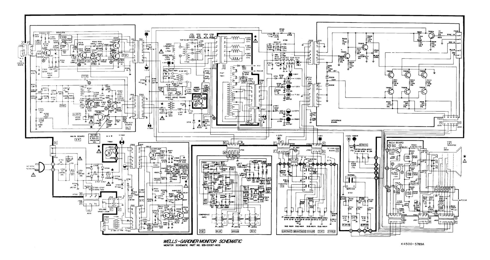
Wells Gardner WG-K4500 Schematic
Wells Gardner XY CO-183-02
Wells Gardner XY Quadrascan TM-183 2nd Edition
Wells Gardner XY Quadrascan TM-183 3rd Edition
Williams Raster Theory & Trouble Shooting
MotorCross Go DX Update 1
JimC
Operators Manual
ÿÿÿÿýÇ\
Mystic Marathon
Parts
Microsoft Word - 10009_fc.msw.doc
Namco
Suzuka 8 Hours 2
KIT_UNIVERSALWD4.PDF
Cover
bayz
Offroad Thunder amendment (general)
Alex Ball
Microsoft Word - 20035_Fc.msw.doc
Front Cover
Microsoft Word - Document1
David Haynes
Cover.indd
Manual 1
P-47 Instruction Maual
JALECO
POW
scanned 2010 by Laschek
Document1
David L. Haynes
Pac-Man & Ms. Pac-Man
DLH
Installation Instructions for Replacment Pacman Daughtercards
Clay Cowgill
Pacman Troubleshooting Guide Part 1