Coin-Operated Videogame Arcade Manual
Downloaded from Arcadedocs.com
Millipede CO-217-01
Unknown
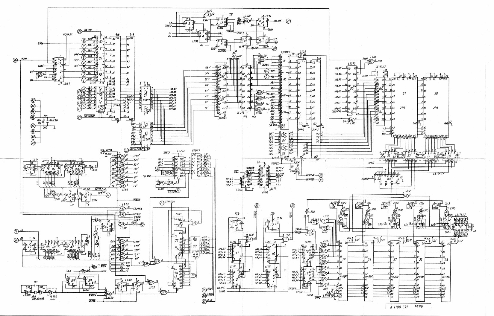
Battlezone (Engineering) (Schematics) (U)
Microsoft Word - Ch01_BigBuck_Safe[..]
2223
2425
25k5515
4 Player Football (DP-139 1st Printing) [Drawing Package] [English]
2627
2829
3Wonders Manual
45
67
720 Manual
720 (SP-294 1st Printing) [Schematic Package] [English]
800 Fathoms [Technical] (EN)
800Fathoms Manual
89
APB Manual
APB Schematic
Aeroboto Manual
Aeroboto [Instruction] (EN)
Aerofighters Manual
After Burner [Schematics] [English]
Air Scramble EM
AirBuster Manual
Airwolf Manual
Ajax (EN)
Ajax Manual
Alcon Manual
Alien Challenge
Alien vs. Predator (EN)
AlienStorm Manual
AlienSyndrome Manual
Aliens Manual
Aliens [Operator's] [Japanese]
AlienvsPreditor Manual
All American Football [Service] (EN)
AllAmericanFootball Manual
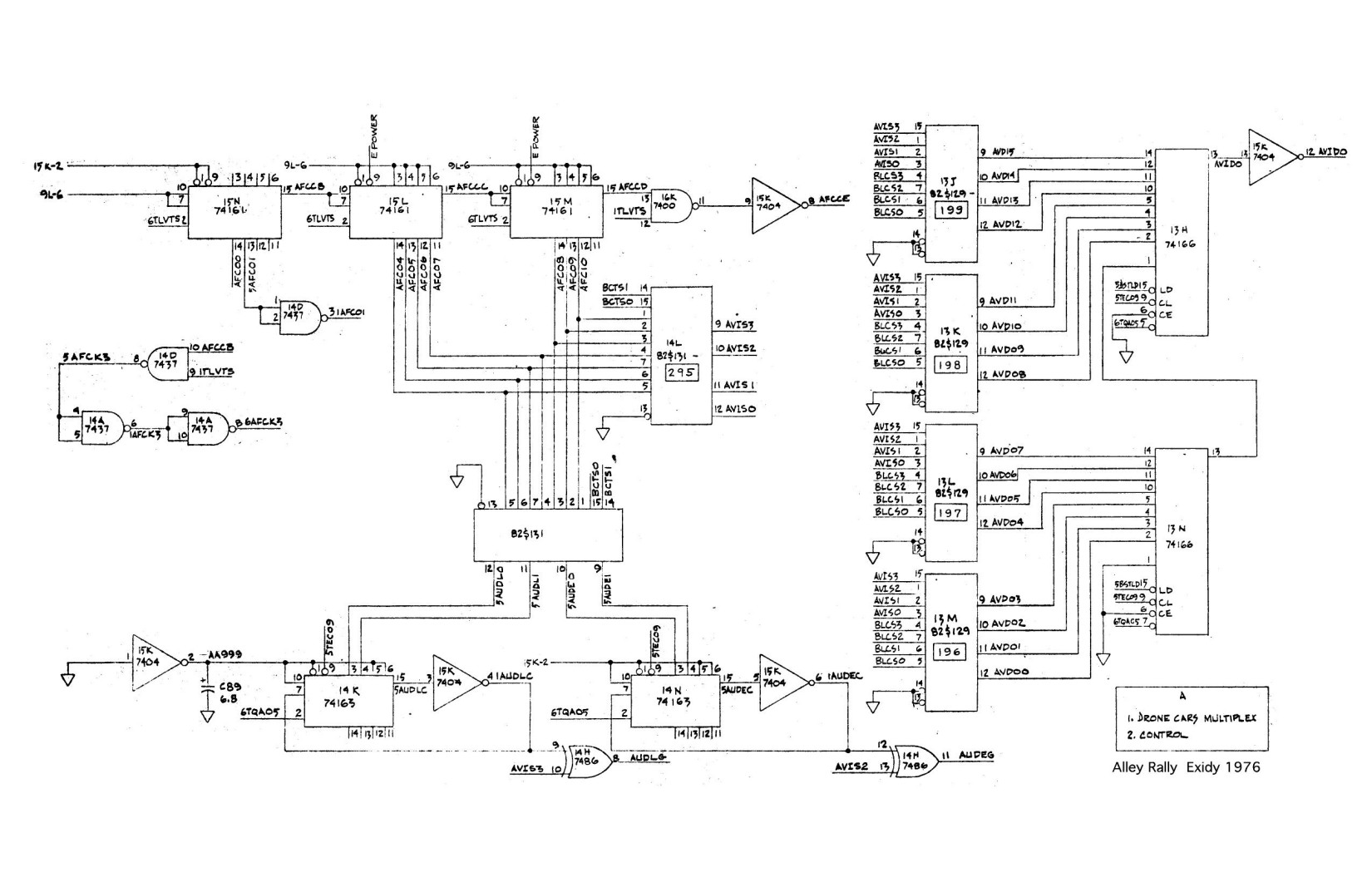
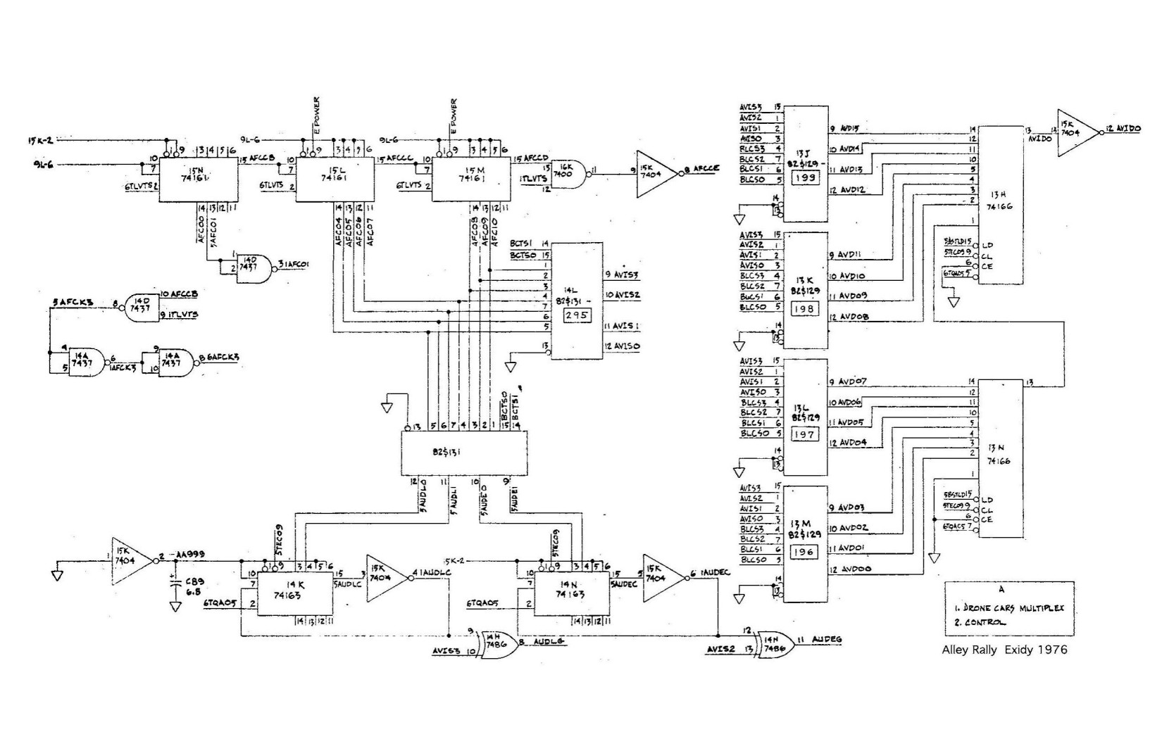
Alley Rally [Schematics] [English]
AlleyMaster Manual
AlleyRally Schematic
Alpine Ski (EN)
AlpineSki Manual
AlteredBeast Manual
American Laser Games [Op & Service] (EN)
AmericanHorse Manual
Amidar (EN)
Amidar Manual
Amidar [Schematics] [English]
Amplifone 13in Color XY (Atari)(TM-222 1st Printing) [Serv-Schem-Parts] ...
Apache 3 [Installation-Ser[..] (EN)
Apache3 Manual
AquaJack Manual
Arabian Fight.man
Arabian Magic.man
Arcade Legends Manual Rev1
Arch Rivals Kit Installation (16-4001-K-101 May 1989)
Arch Rivals Hometown Hero Options Kit
Area 51 & Maximum Force Universal Kit
Area 51.man
Area 51 Max Force.man
Area 88 (jap)
Arfyc Game [s]