Operators Manual
JimC
U2000 - Standard RES
frossini
hantarex mtc9110
Unknown
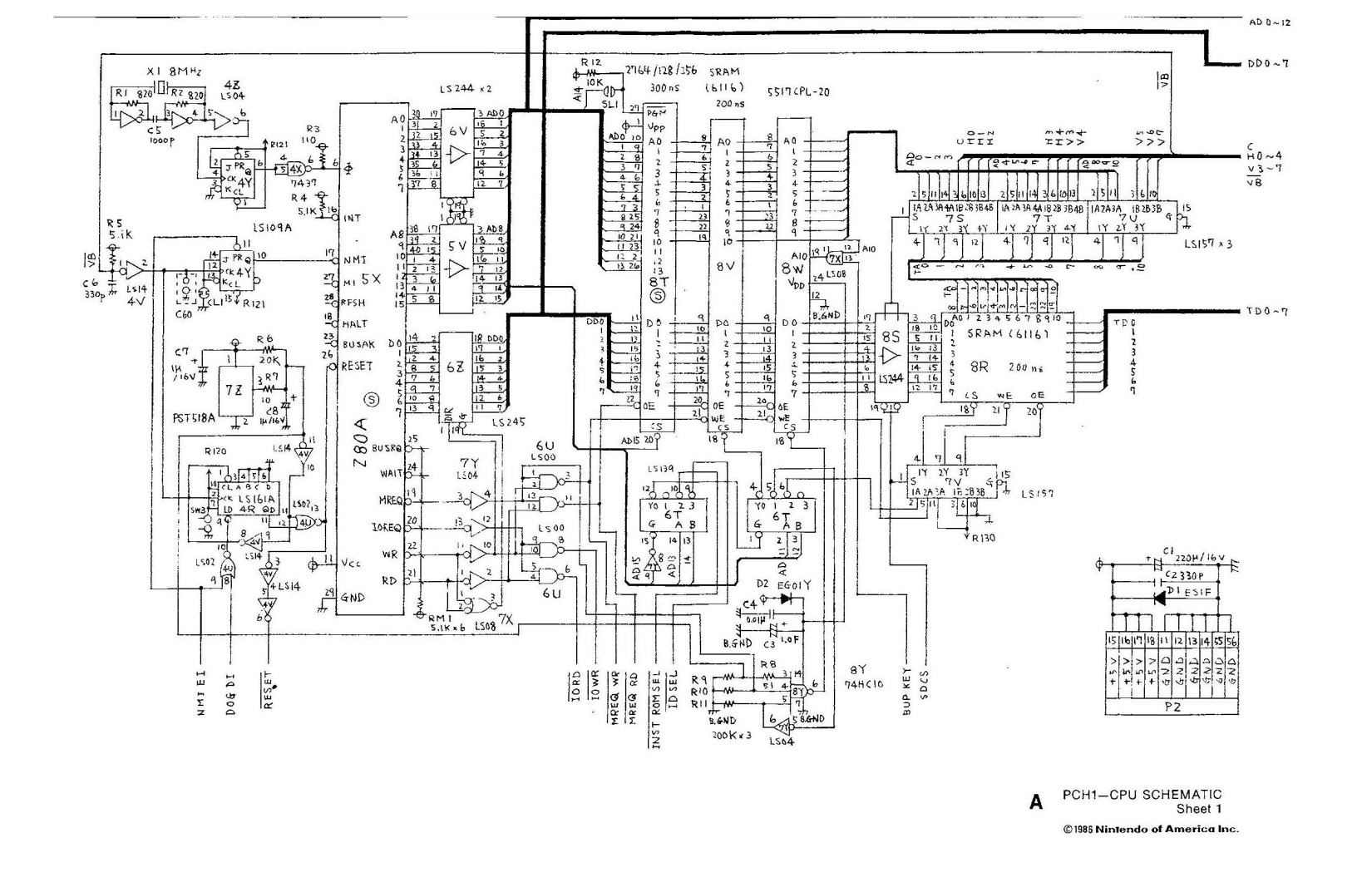
Playchoice 10 (Schematics) (U)
The Electric Yoyo Service Tip (82-19)
The Electric Yoyo (Op-Maint-Serv-Part) (U)
The Electric Yoyo
The Combatribes Instruction Manual
The Adventures of Robby Roto! (Parts & Operating) (U)
The Adventures of Robby Roto
The Adventures of Major Havoc (TM-252 1st Printing) (Operator's ...
The Adventures of Major Havoc (TG-252) (Trouble Shooting Guide) ...
The Adventures of Major Havoc (SP-252 1st Printing) (Schematic ...
The Adventures of Major Havoc (CO-267-02 1st Printing) (Conv. ...
DLH
The Adventures of Major Havoc (CO-267-01 1st Printing) (Conv. ...
The Adventures of Major Havoc (CO-252-04 1st Printing) (Drawing ...
ThayersQuest Manual
Thayers Quests
Thayers Quest Schematics
Thayers Quest (Schematics) (U)
Thayers Quest (Operation & Service) (U)
TH Strikesback.man
Tetris Plus (JA)
Tetris Plus
Tetris Manual
Tetris Kit TM-328 2nd Printing
Tetris Kit TM-328 1st Printing
Tetris CO-328-01 1st Printing
Tetris (unknown Jap Dips)
Tetris (TM-328 1st Printing) (Kit Installation) (U)
Tetris (JA)
Terra Diver (U)
Terra Diver
Terra Cresta.man
TenPin Sound Board (812-0002 Rev C 7 of 8)
TenPin Sound Board (812-0002 Rev C 6 of 8)
TenPin Operating Instructions and Service Manual
TenPin Logic Board (812-0001 Rev A 7 of 8)
TenPin Logic Board (812-0001 Rev A 6 of 8)
TennisTourney Manual
tennistourney
Tennis Tourney (Parts Catalog) (U)
Tennis Tourney
Ten Yard Fight 85 & Attack of the Savage Bee's
Tempest Upright TM-190
Tempest Troubleshooting Guide TM-195 2nd Printing
Tempest Troubleshooting Guide TM-195 1st Printing
Tempest TM-195 2nd Printing
Tempest TM-190 2nd Printing
Tempest TM-190 1st Printing
Tempest DP-190 2nd Printing
Tempest Cocktail TM-193 1st Printing
Tempest CO-190-01 New Roms
Tempest Caberat TM-196 1st Printing
Tempest Cabaret ST-196 1st Printing Backdoor Sheet
Tempest Bulletin 12-04-81
Tempest (TM-195 2nd Printing) (Troubleshooting) (U)
Tempest (TM-190 2nd Printing) (Op-Maint-Serv-Pa[..] (U)
Tempest (DP-190 2nd Printing) (Drawing Package) (U)
Tempest (Cocktail TM-193 1st Printing) (Op-Maint-Serv-Pa[..] ...
Tempest (CO-190-01) (New Roms
Program) (U)
Tempest (Backdoor Sheet) (U)