ufo-brochure-back[..]
jmarch
Aztarac Schematics
Unknown
Microsoft Word - PM0434-16_black & white_unreleased.doc
spisarek
Robocop Conversion Kit Installation and Service Manual (780-0111-00)
SuperContra Manual
SuperNeo29Candy-M[..]
Super Gem Fighter Mini Mix
NAZ!
SuperOffRoad Manual
SuperSFIITurbo Manual
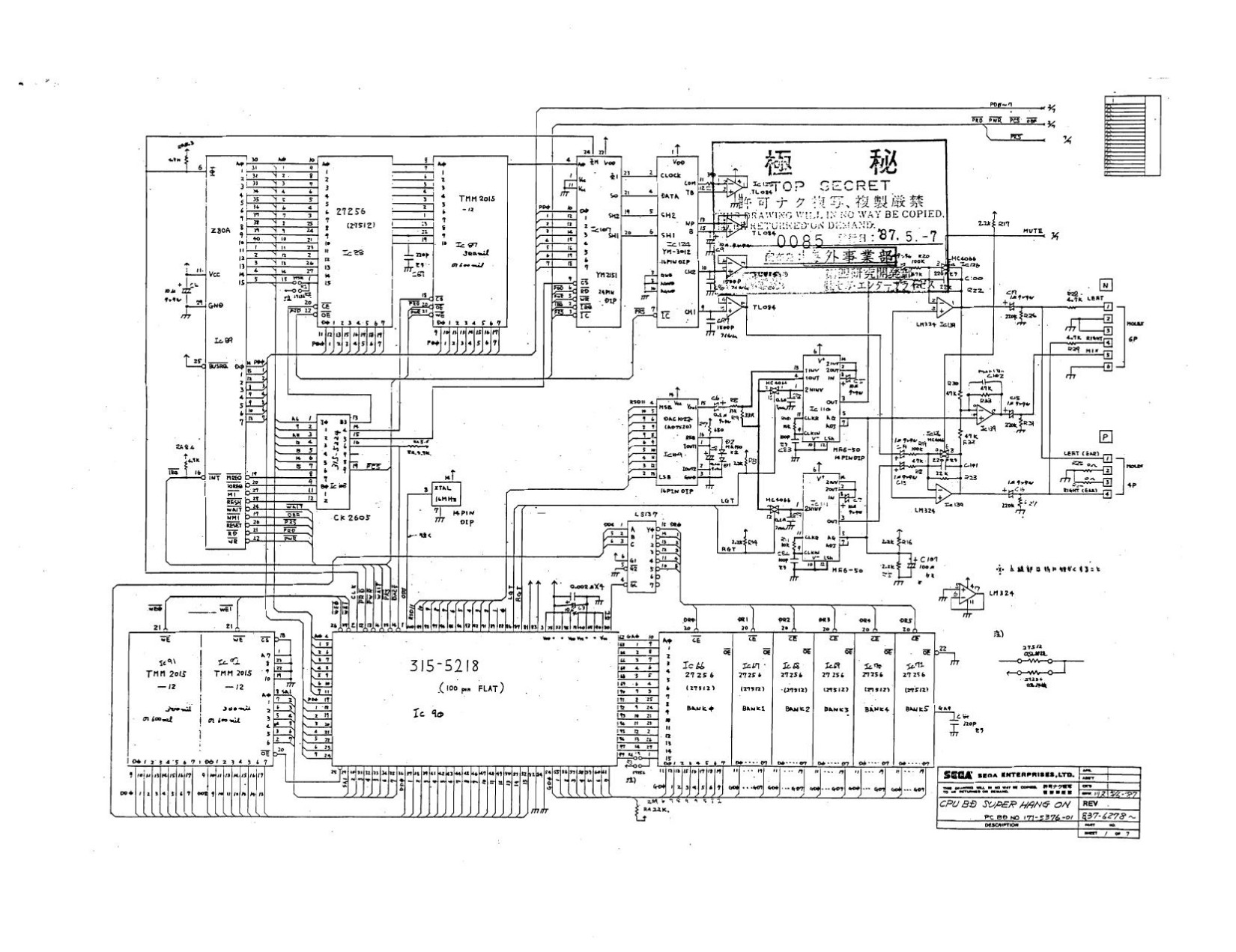
Super Hang-On Schematics
SuperSpaceAttack Manual
Super Basketball Conversion Kit
Super Missle Attack Kit (May 2 1981)
Super Qix
Superman (Operating) (U)
Superman Manual
Superman
DLH
Superstar Basketball Maintenance Guide
Surf Planet.man
Surprise Attack (Operator's) (JA)
Surprise Attack
Survival (U)
survival
Survival Arts
www.crazykong.com
Suzuka 8 Hours (Schematics) (U)
SurvivalArts Manual
Suzuka 8 Hours Coca Cola Operators Manual
Suzuka 8 Hours Schematic
Adjustments and Schematics
Swimmer (Service) (U)
Swimmer Schematics
anonymous
Swimmer Manual
swimmer
System 1 TM-277 1st Printing
System 1 SP-277 1st Printing
T-Mek TM-394 1st Printing
TM-286
Erik Schneider
T2 Judgement Day (16-40009-101-1) Dec 1991
GN715_HD
Minoda_Hideaki
GMA41-TB,HD
TH Strikesback.man
GC713-AB/AC
Minoda,Hideaki
TM-048 [e]
TM-143 [p3] [e]
TM-218 [p4] [alt]
Quantum Service Maunal
TM-395 [p1] [e] [alt]
TMNT Turtles in Time
TV Ping Pong (Parts Catalog) (U)
TV Ping Pong
TV Ping-Pong.man
TX-1 (SP-262 1st Printing) (Schematic Package) (U)
TX-1 (TM-262 1st Printing) (Operator's & Parts) (U)
TX-1 TM-262 1st Printing
TX-1 SP-262 1st Printing
TX-1 schematics
TX1 SP-262 1st Printing
Tac Scan [Owner's] (EN)
TacScan Preliminary
Tac-Scan Service Note 002 (11-24-1982)
ÿÿÿÿýÇ^
š
Tag-Team Wrestling Schematics (Bad Scan Missing Page)
Tail Gunner 2 (Operator's) (U)
TailGunner II