Asteroids Deluxe (TM-165 2nd Printing) (Op-Maint-Serv-Pa[..] ...
Unknown
Capcom Bowling
102105 GOGO SBulletin New Payout Door 01.eps
jmarch
Tempest Caberat TM-196 1st Printing
Soukyu Gurentai
Soul Edge (v2)
scanned 2010 by Laschek
Soul Edge (Ver. II) (Conversion Kit Installation) (U)
Soul Edge V2 Kit
Soul Calibur 3 Manual
Operators Manaual
JimC
Space Ace (Euro)(TM256) (Operator's & Sup. to Dragon's Lair ...
Space Attack (Video Games Lich)
Space Ace euro manual
Matteo Marioni
Space Ace Conversion Kit for DL
Space Ace Enhancement Instructions
scanned by Laschek
Space Ace Operators Manual Euro
Space Ace Operators Manual
Space Battle (Service) (U)
Space Battle
Space Chaser (Color) (And Parts Catalog) (U)
Space Chaser
Space Cruiser (Orion)
Space Duel (SP-181 2nd Printing) (Schematic Package) (U)
Space Duel SP-181 2nd Printing
Space Dungeon (Upright) (Op-Maint-Serv-Pa[..] (U)
Space Dungeon
Space Encounters (Parts & Operating) (U)
Space Fighter (Video Games Lich)
Space Encounters
Space Fever (color)
Space Fever Color (Schematics) (U)
Space Fever Color Schematic
Space Firebird (Nintendo Cocktail) (Operation) (U)
Space Firebird (Owner's) (U)
Space Firebird
Space Fortress (Technical) (U)
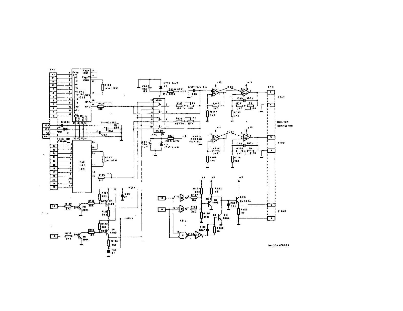
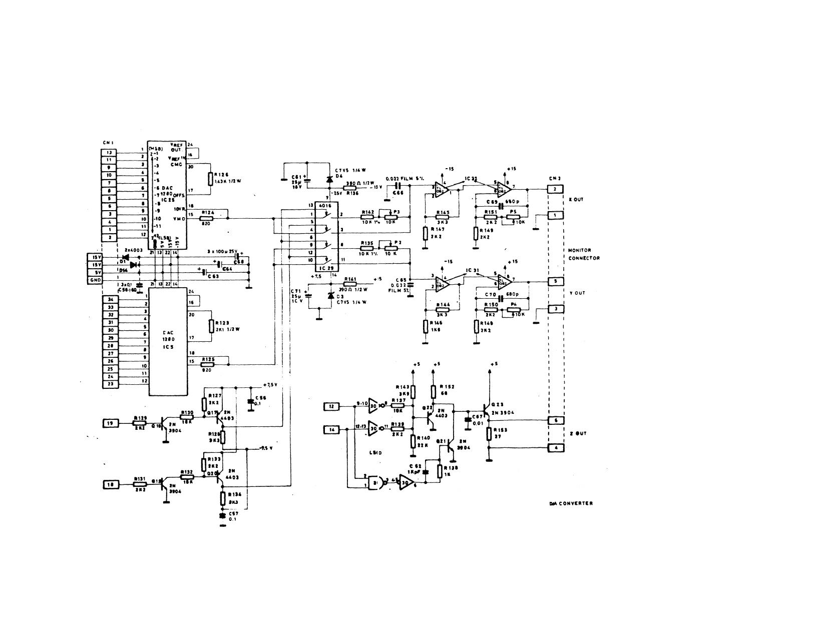
Space Fortress DAC (Schematic) (U)
Space Fortress DAC
Space Fortress Monitor
Space Fortress Monitor (Schematic) (U)
Space Fortress
Space Fury (Aladdins Castle
Oct-23-1981) (Memo) (U)
Space Fury (Aladdins Castle Memo Oct-05-1981)
Space Fury (Aladdins Castle Memo Oct-16-1981)
Space Fury (Aladdins Castle Memo Oct-23-1981)
Space Fury (Sega-Gremlin Monitor Mod Info) (U)
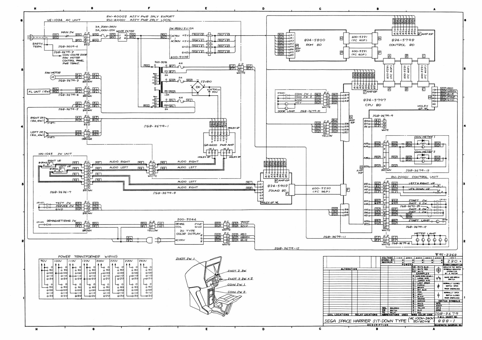
Space Harrier Sitdown Wiring
Space Fury (Sega-Gremlin Monitor Mod Info)
Space Harrier (Schematics) (U)
Space Harrier Schematics
Space Invaders (Trimline)(B&W) (U)
Space Invaders
Tatio Cocktail Color
Space Invaders - [MIDWAY]
Upright
Space Invaders 2 Cocktail
Space Invaders Deluxe
Space Invaders Deluxe (Parts & Operating) (U)
Space Invaders II Cocktail (Parts & Operating) (U)
Space Invaders Part 2 Color
Space Invaders Part II (Color) (Parts Catalog) (U)
C:\WINDOWS\TEMP\c[..]
Bombjack 2
Space Invaders Trimline
Space Laser
Space Lords.man
Space Odyssey