Kit Manual
Jim Cook
033004 GG ISUKA SJ EXP KIT with Marquee List (USA).eps
jmarch
Konami rf2 (jap)
Unknown
Miscellaneous - Tempest
Skill Step
Microsoft Word - Manual_Crazy Taxi High Roller_Rev 0.doc
Pole Position II Enhancement Instructions
Atari Games Inc.
Microsoft Word - Document1
David Haynes
Manual
JimC
DOC Satellite Pedestal
complete low
Microsoft Word - Megatouch XL Technical Reference Manual.doc
hd-bulletin2
doc-bulletin2
hd-upright-wiring[..]
hd-deluxe-wiringd[..]
ctr-wiringdiagram
Microsoft Word - HDT_ DELUXE MANUAL_Issue 0.doc
No Slide Title
Chuck Rabiola
Vasara 2 Manual (J)
Tormod Tjaberg
Nintendo Gun Kit
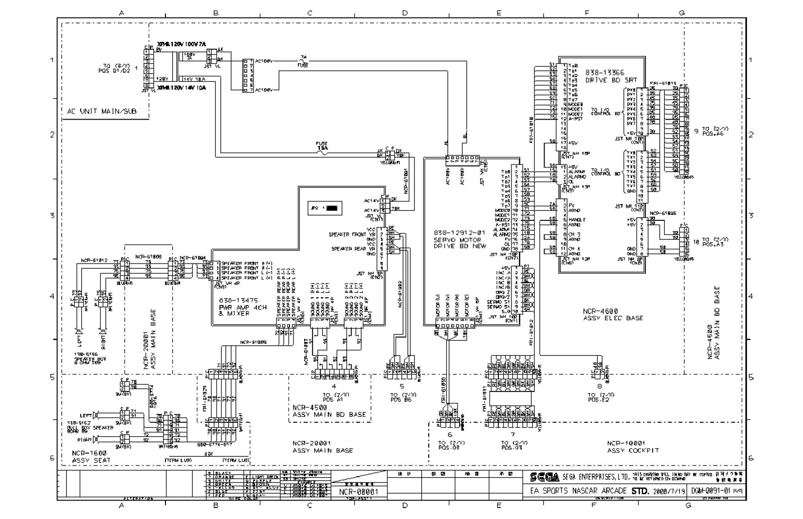
Nascar Mini wd
swp-deluxe-wiring[..]
st-wiringdiagrams
Miscellaneous
Williams Z-Unit CPU3
Untitled-1.psd.pdf
frossini
CCS_FRNT.PUB
mok-bulletin3
lw-bulletin3
ss-wiringdiagrams
mok-bulletin2
lw-bulletin2
hd-bulletin1
Cover
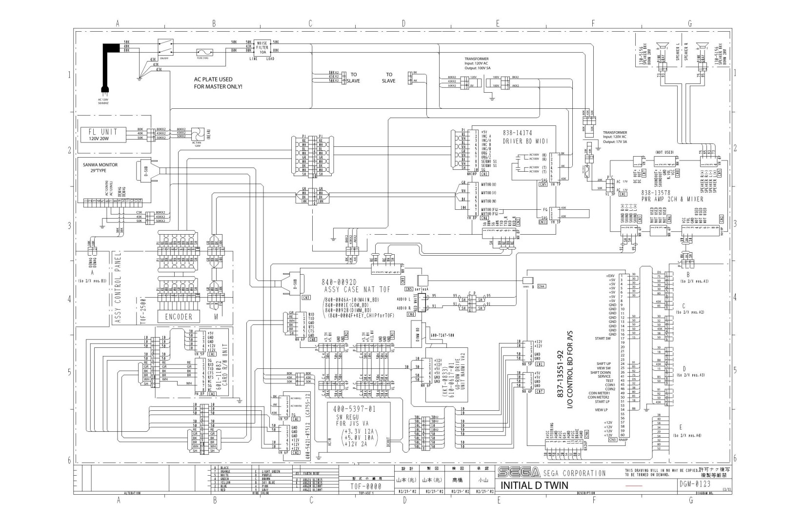
Initial D Wiring Diagrams
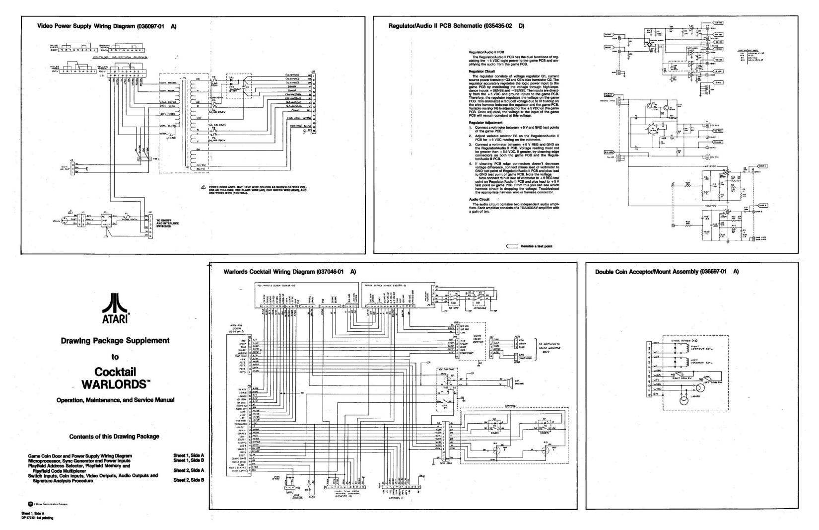
Warlords Cocktail DP-177 1st Printing
UltraCade Universal Kit
Maze of the Kings
Fast Freddie SP-208 1st Printing
Missile Command Cocktail TM-152 1st Printing
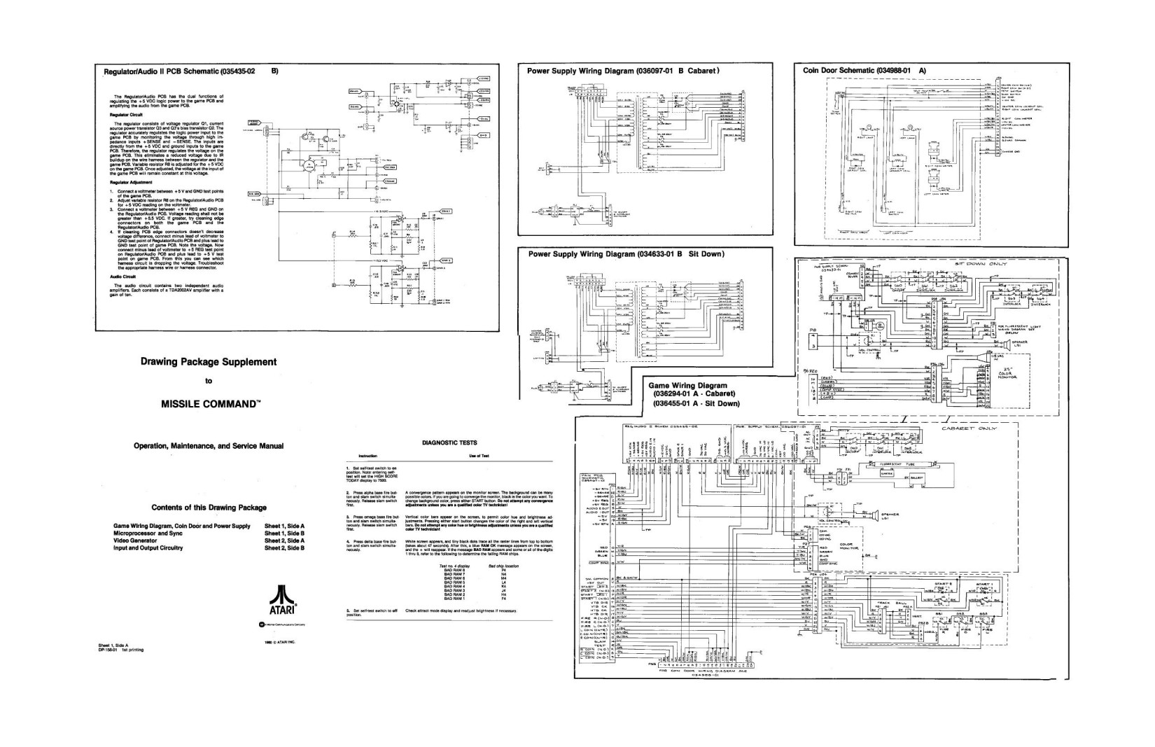
Missile Command Caberat DP-158 1st Printing
Tempest DP-190 2nd Printing
Soccer DP-144 1st Printing
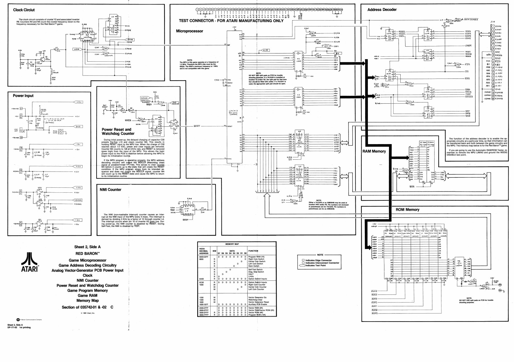
Red Baron DP-171 Sitdown 1st Printing (Sheet 1 & 3 Missing)
Red Baron DP-169 Upright 1st Printing (Sheet 2 Missing)
Lunar Lander DP-136 3rd Printing (Missing Sheet 01 Side A)
Battlezone DP-156 2nd Printing
Asteroids DP-143 7th Printing
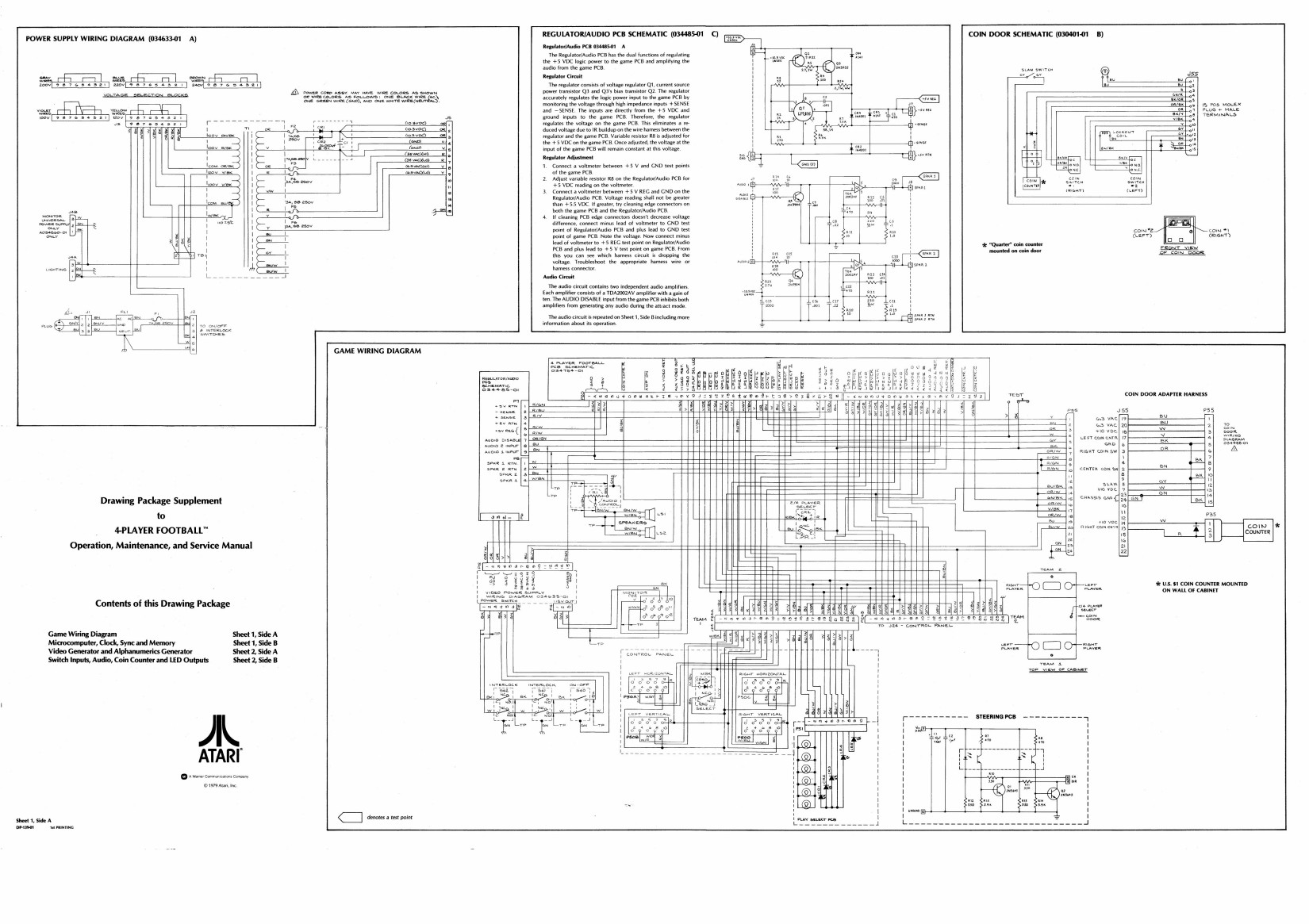
Football (4 Player) DP-139 1st Printing
Monitors
19K6102-5835A
6400 Schematic
Keltron Monitor new
Eyes Schematics
id-brochure
Battlezone Caberat TM-166 Backdoor Sheet
C:\WINDOWS\TEMP\c[..]
Bombjack 2
Asteroids Deluxe DP-165 1st Printing
Battlezone Caberat TM-166 1st Printing
Mat Mania
adamc