Controls, Adjustments & Parts
JimC
Asteroids (Bulletin Feb 1980) (U)
Unknown
Fixeight (v2)
scanned 2010 by Laschek
Lode Runner Masinn (jap)
Operators Manual
Romstar Tiger Road Manual
Strider
Thunder Blade Owner's Manual
Grabbed by VERNIMARK
Gottlieb Mylstar Three Stooges Operating Manual
Tom McClintock
<INSERT DOCUMENT NUMBER HERE>
Sega Manufacturing Division
Ten Yard Fight 85 & Attack of the Savage Bee's
Tempest Upright TM-190
DLH
Opmanual
Tek0001.pdf
Kit Manual
Jim Cook
ÿÿÿÿýÇ\
ˇ
Manual
Tank [e]
ÿÿÿÿýÇ^
š
Warlords Upright TM-175
Super Puzzle Bobble Manual (Japan)
Tormod Tjaberg/Steve Fewell
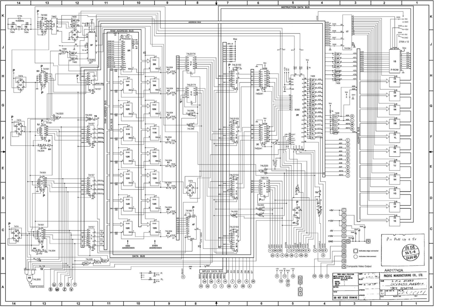
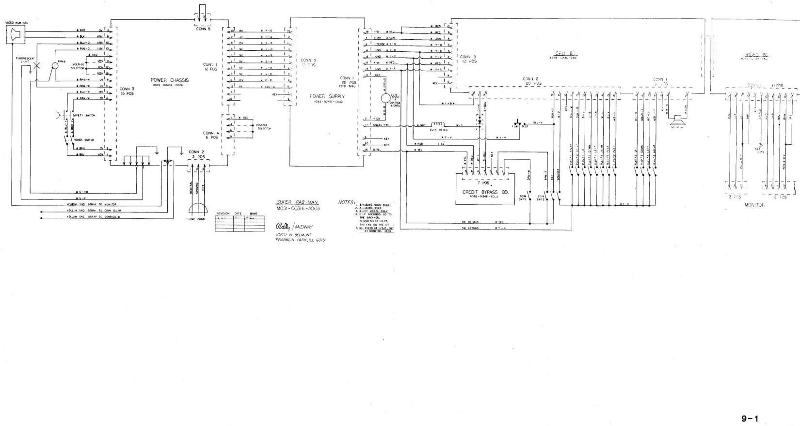
Super Pacman Schematics
Super Muscle Bomber
The International Blowout (JA)
Microsoft Word - Document1
John Spina
Kaneko Super Nova System
Kaneko / Arcadiabay
Super Gem Fighter Mini Mix
NAZ!
Super Chexx Service Manual 2
k
Street Fighter II
Champion Edition (Official Turbo ROM Upgrade Kit) (U)
Champion Edition (Instruction) (U)
Street Fighter
Stargate
Drawing Set
Star Force by Tehkan
dlh@bombjack.org Visit www.bombjack.org
ÿÿÿÿýÇa
˛
Cover
bayz
ss-tech.indd
Cover.indd
Space Pilot Sub Board 2
Ade
Space Panic
Tom Gröger/Arcadiabay
C:\WINDOWS\TEMP\c[..]
Bombjack 2
Space Invaders
Tatio Cocktail Color (Schematics) (U)
Space Fury (Aladdins Castle
Oct-16-1981) (Memo) (U)
Oct-05-1981) (Memo) (U)
Space Firebird
Nintendo Cocktail