PM0496-13 French F2K10.5 Upgrade.pmd
lkalb
Virtua Racing Upright (1-4)
Unknown
In The Hunt.man
Atari Gauntlet TM-284 1st Printing
DLH
EgretParts2
www.arcade-system.com
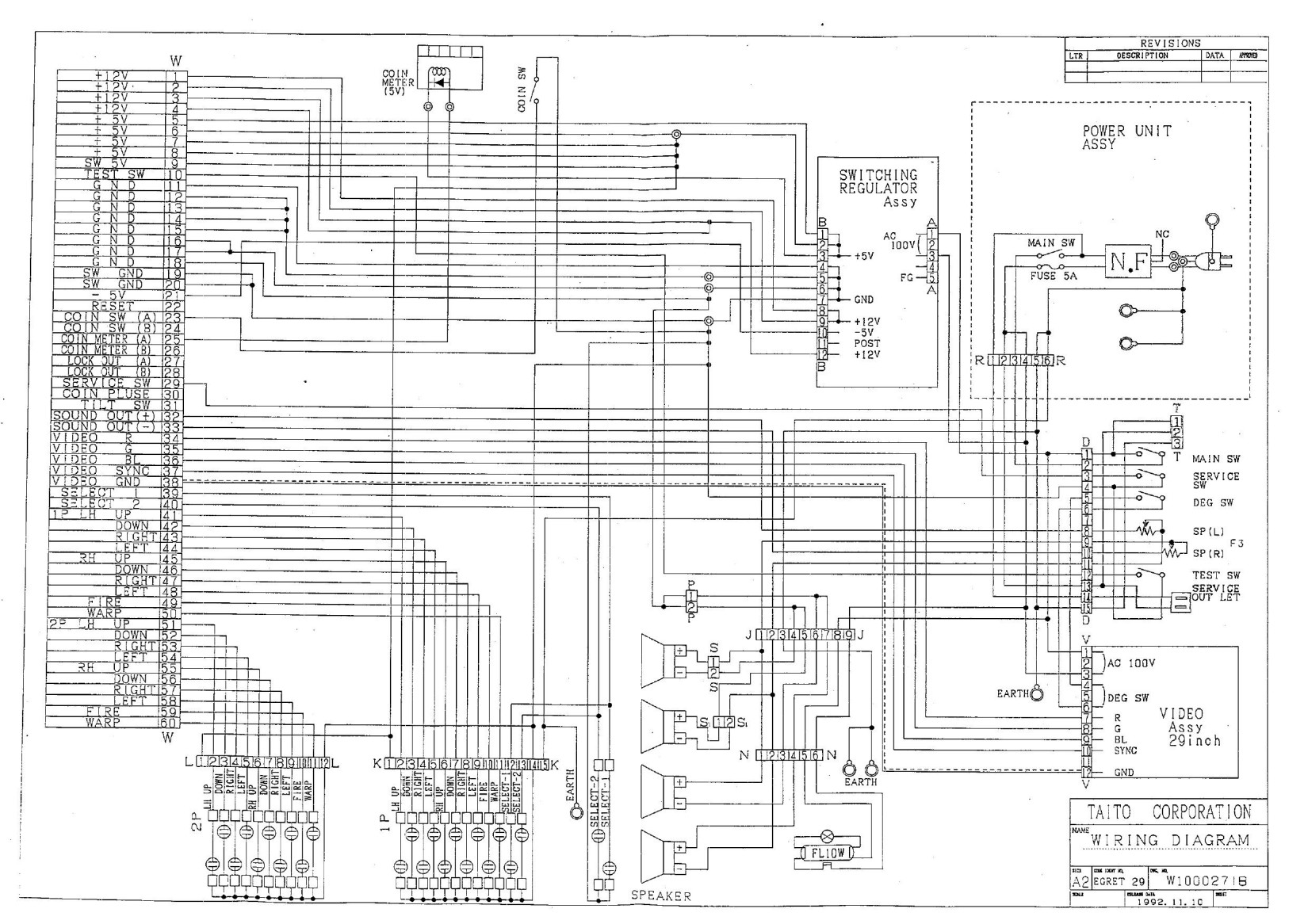
EgretWiring
EgretParts
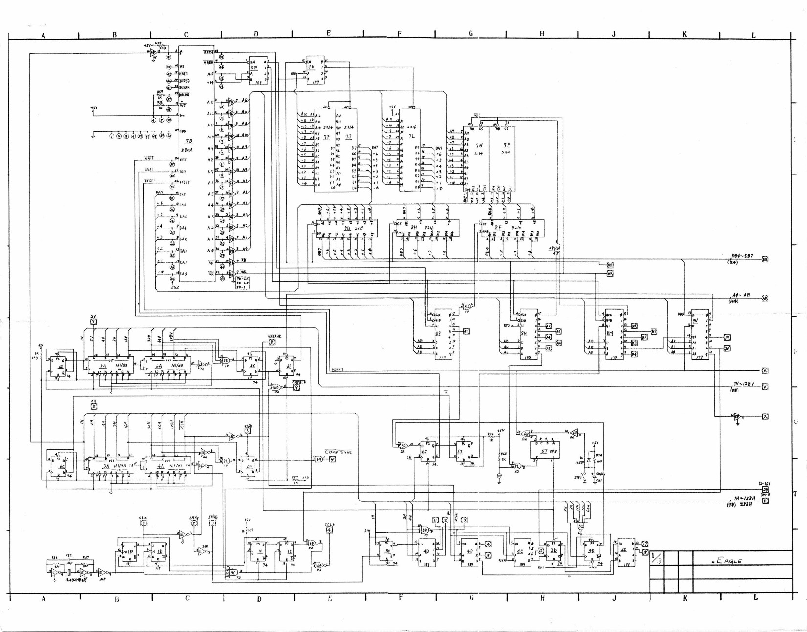
Eagle Schematics
anonymous
EXCITING SOCCER
scanned 2011 by Laschek
GQ810-TB
Minoda,Hideaki
ESWAT CYBER POLICE
ESPIONAGE
ESPIAL
ESwat
Scannned by Jim S. 12/18/97
ESCAPE KIT CARTRIDGE SYSTEMREDUCED
ESCAPE KIT CARTRIDGE SYSTEM
ENFORCE
ELEVEN BEAT (ALECK 64)
EHRGEIZ
EGG VENTURE
Dungeons & Dragons
Tower of Doom (U)
Driving Force Conversion (Different Version)
Kevin Eshbach
Euro DL2 owner's manual (preliminary)
Matteo Marioni
Euro Dragon's Lair Preliminary manual
Donkey Kong Service Bulletin (Dec 11 1981 LMC)
Donkey Kong TKG-3-UP
Donkey Kong TKG-2-UP
Donkey Kong Jr
scanned 2010 by Laschek
Donkey Kong JR Schematics
DLH @ www.bombjack.org
Donkey Kong
Donkey Kong (TKG-3-UP) (Operation) (U)
Donkey Kong (TKG-2-UP) (Operation) (U)
Diet Go Go (Jap)
本文6680
松野 徹
<8255825582568258[..]
<95D28F57959432>
Defender (Theory of Operation
Later PCB's) (U)
Microsoft Word - Deer Shotgun Tournament Buckmasters PR_revisedBM ...
jmarch
Crisis Zone DX Update 1
JimC
DO RUN RUN
DOPPELSPIEL UMSTEUERPLATINE
DONKEY KONG JR NSM
DOG FIGHT PINOUT
scanned 2011 ba Laschek
DOC Race Schedule.xls
gustafp
DOCK MAN
01_05_6918
Taito 2/3 Layer Space Invaders Part I and II Pinouts
Dave Langley
Taito ‘L’ Shape Space Invaders Pinouts
Midway 'L' Shape Space Invaders Pinouts
DIP Switches & Pinouts
World Cup 90
DIP Switches & Pinouts - Shootout
Pinouts
Majestic Twelve
DIP Switches & Pinouts - Hit the Ice
Switches
Double dragon II.xls
ole
Cave Ninja.xls
DIP Switches & Pinouts - Bombjack
DIG DUG
DEVIL WORLD
DESTROYER FROM JAIL
DEAD CONNECTION
DANGAR
GN845-UC
Minoda_Hideaki
G426601E REV1
USER
Cycle Warriors
Operation Manaul