PM0638-09 German Elite Edge Ion 2K9 NO JOYSTICK_unreleas[..]
spisarek
ÿÿÿÿýÇ\
k
Tunnel Hunt (Service) (U)
Unknown
Street Fighter EX 2 Plus (U)
021804 RMission Update KIT with shotgun assy List (USA).eps
jmarch
021804 RMission Update KIT List (USA).eps
021804 RMission Full KIT List (USA).eps
road burners
utilisateur
Road Riot 4WD
Atari
robokid
robotbowl
robotroninstructi[..]
Al Kossow
rollerjammer
rocknrope
raceTV-back2.2.pdf
rollingthunder
route16
power supply lindbergh.pdf
rtv-manual
rtype
rugrats
Rumble Fish Broshur (USA)e.psd
102104 rumblefish manual
040901 SA Bulk 1000EXP KIT Manual.pub
lneubecker
071601 S Arena Operating Manual (Only setting) A16A.pub
sac-1
sammy sports 2004
Printable-Sammie-[..]
082802 SAMMIE Jumping Dog Operating Manual
sb-bulletin-belte[..]
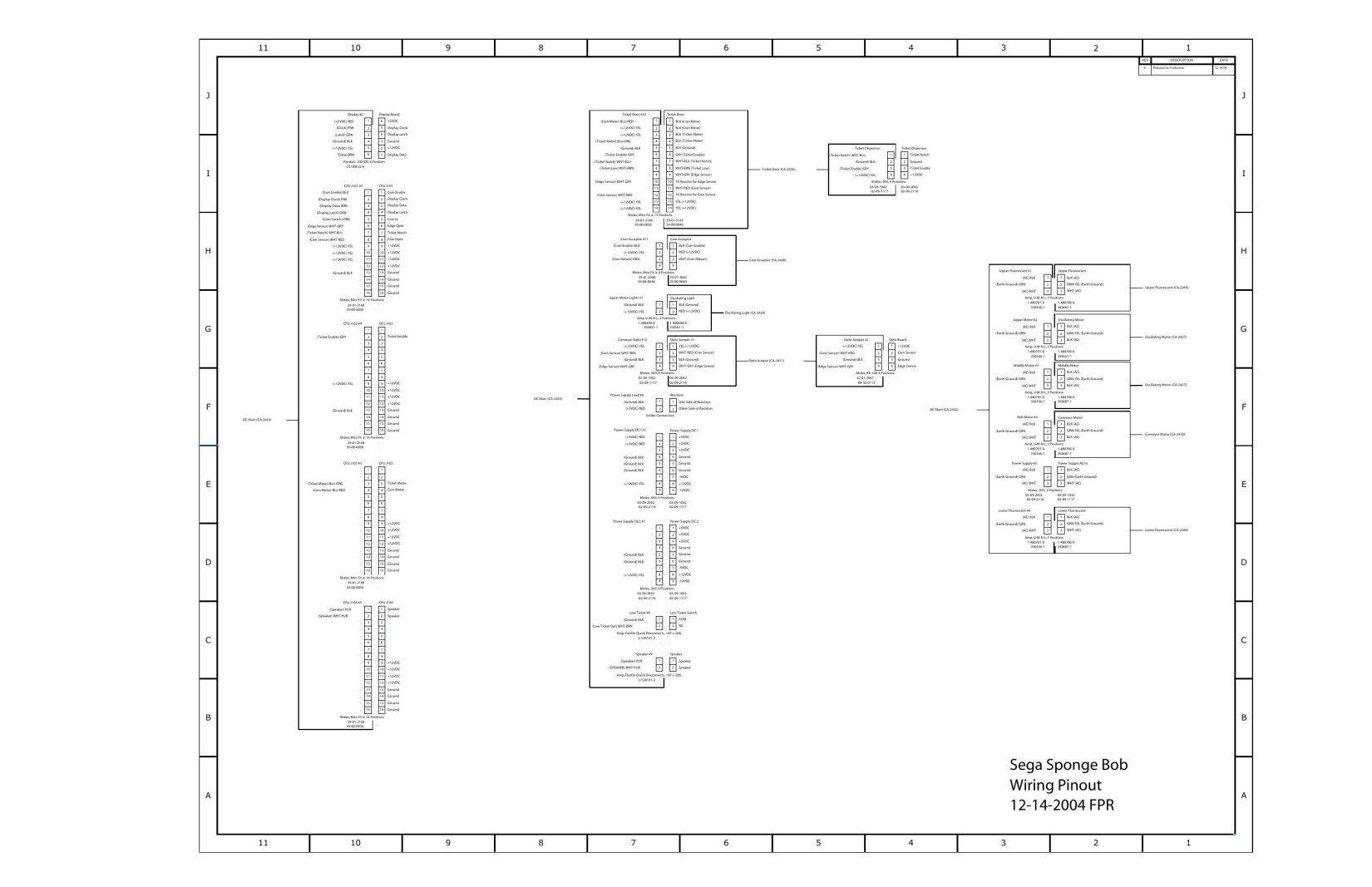
sb-wiringpinout
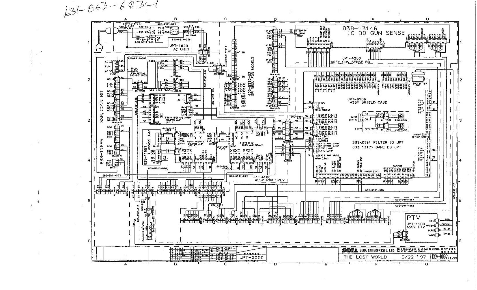
schematic
seawolfii
Microsoft Word - SEGA UFO CATCHER PR.doc
420_6990-01表紙
service-bulletin2
service manual 2-car
sf-brochure
sf-bulletin
bayz
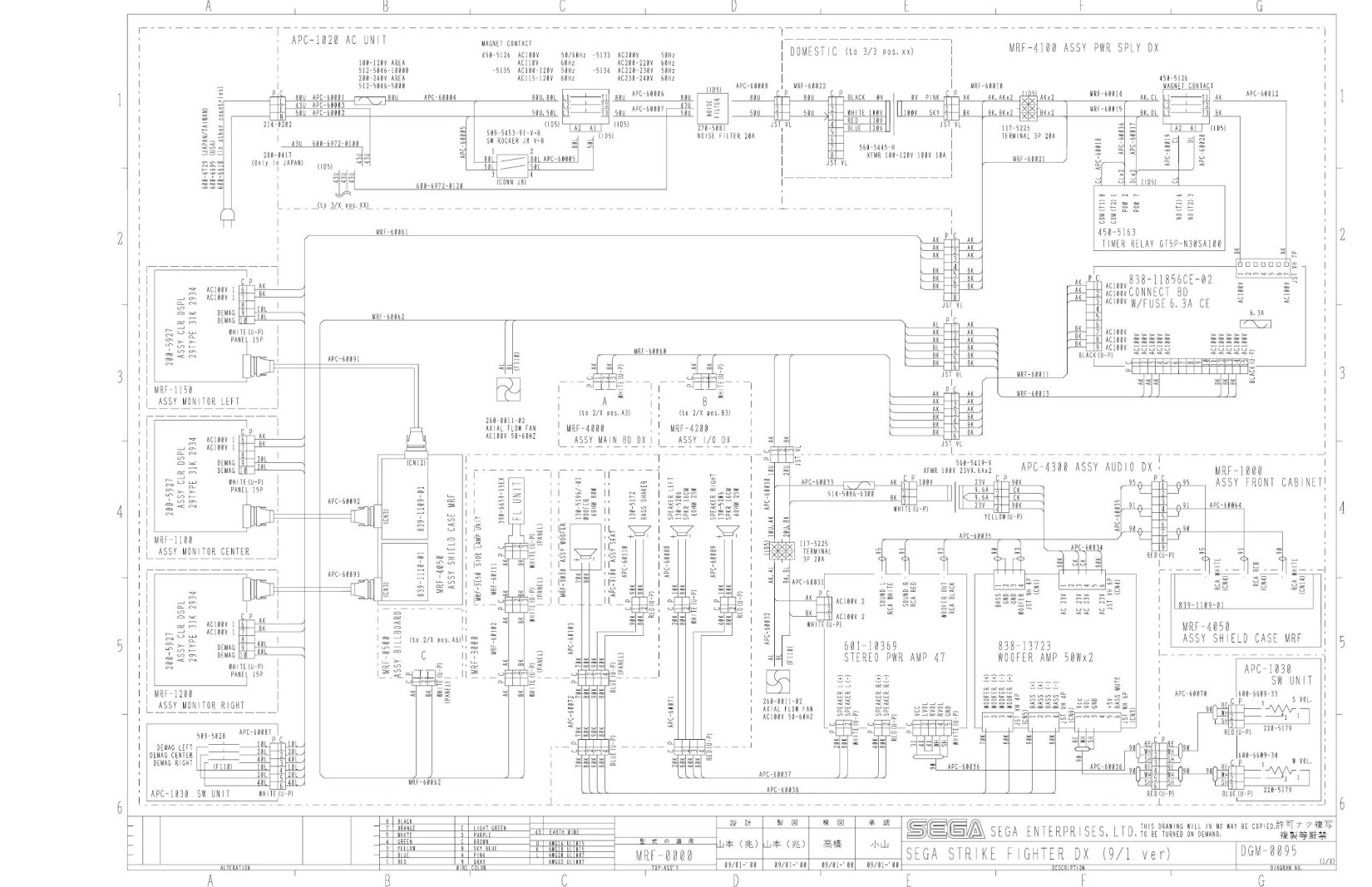
sf-deluxe-wiringd[..]
flyer.psd
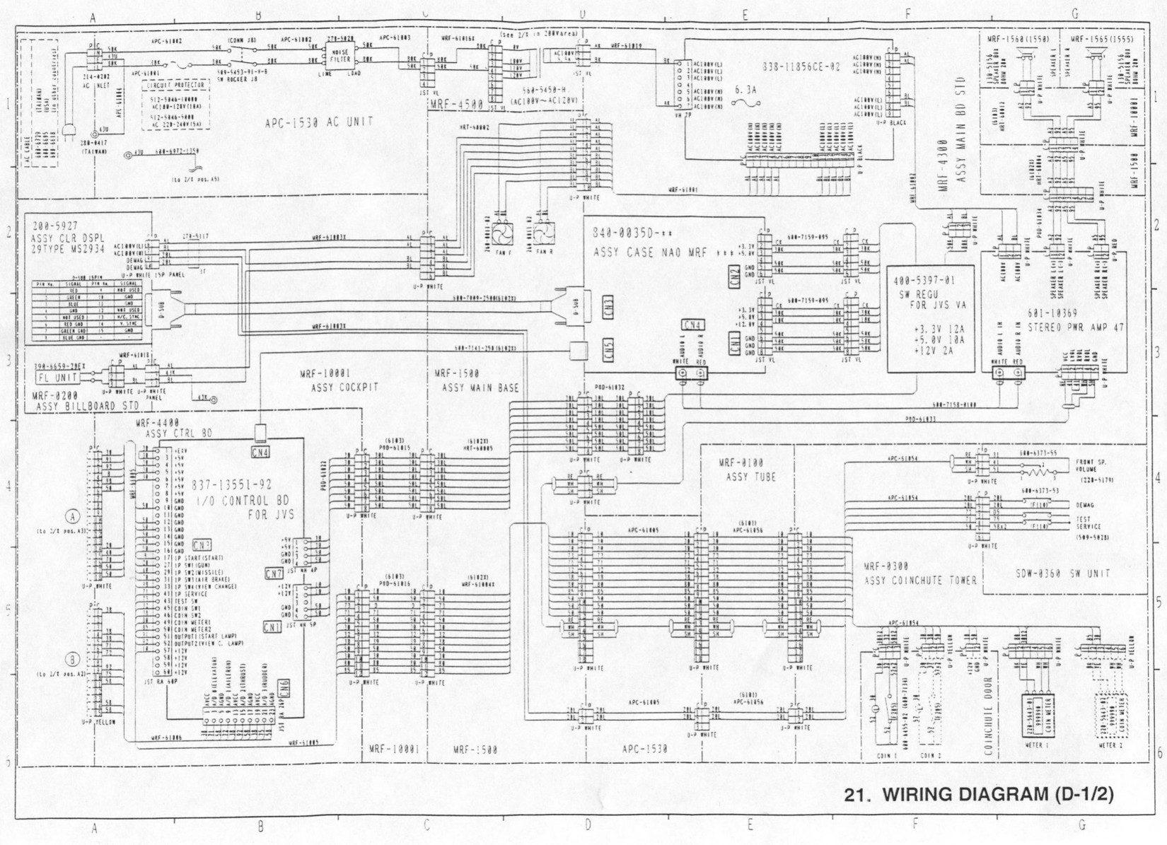
sf-standard-wirin[..]
Brochure-Simple-S[..]
shuuz
sideluxe
sinistar
sitriml
sj-brochure
skullandcrossbones
skydiver
smashtv
skyraider
soccer
Microsoft Word - 0621907 Sonic Spinner 07 Manual _Non CEC ver_.doc
Microsoft Word - 040907 Sonic Spinner 07 Manual.doc
spacebattle
spacechaser
spaceduel
spongebob-brochur[..]
spacedungeon
spacefirebird
spaceinv2ckt
spacerace
Sports Arena Prize Power.pdf