Hang on sitdown type (jap)
Unknown
Mortal Kombat 2 Kit (16-44029) Amendment (16-9713 Feb 2 1994)
UNSquadron Manual
Mr Driller 2.man
420-6958-02.pdf
jmarch
or2sp-sdx-brochure
OR2SPStdManual.indd
or2sp-wiringdiagrams
orbit
pac-man
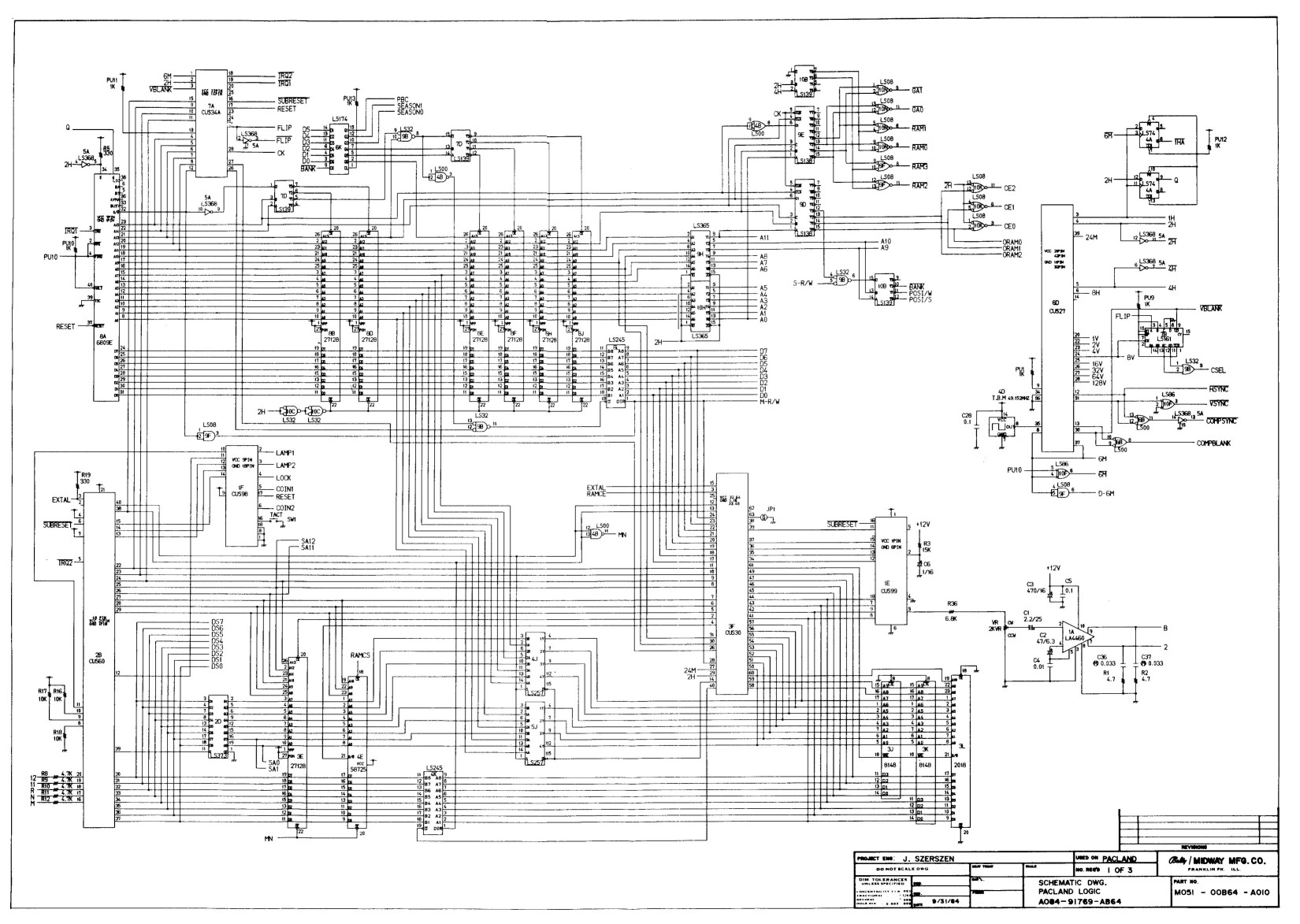
pacman logic board b schematics [ALTERNATE]
pacmania
paddlebattle
pandoraspalace
parts & Operating Manual [e]
parts catalog 4-car
parts catalog 2-car
perfectbillards
M2929DC(15-50K)³æ[..]
USER
ph-brochure
IGS PGM MANUEL
www.arcade-system.com
ph-wiringdiagrams
bayz
pinpong
pitandrun
Nintendo playchoice countertop
http://www.arcade-system.com
20090428105308_pl[..]
stephanet
20090428105303_pl[..]
20090428105258_pl[..]
20090428105249_pl[..]
20090428105253_pl[..]
Page_1.jpg
lneubecker
poolshark
popflamer
Microsoft Word - Extreme Hunting PR.doc
Microsoft Word - OUTRUN2SPSUPERDEL[..]
PH-brochure-front[..]
Microsoft Word - 15 course mode PR.doc
Microsoft Word - ROCHETTI AND SATOMI SPEECHES.doc
Microsoft Word - Document1
primevalhunt-manual
032005-prizeparty[..]
Prize_Party_Stick[..]
prizeparty-front.pdf
Prize party Manual 8 heads unit
profpac
PS2 Time Master information
pursuit
qbertsqubes
quizshow
quickstart
r360-brochure
qwak
rabbitpunch
radicalradial
013004 Brohuce RMission 01(Front).psd
rallyx
redalert
ringking
051404 RFish SJ KIT with Digital Marquee AAMA stikcer List (...
ripcord
ripoff
021804 RMission Full KIT List (ITALY).eps
032604 RMission Full KIT List (UK).eps
032404 RMission Update KIT for AW25UR joystick game List (US...