The Arcade Manual DataBase.net
  • Advanced Search
    • Guest

Uploading...

Please do not refresh the page.
  • Browse
  • Books
  • Hot Books
  • Top Rated Books
  • Discover
  • Categories
  • Series
  • Authors
  • Publishers
  • Languages
  • Ratings
  • File formats
  • Shelves

Discover (Random Books)

For immediate release

For immediate release

Unknown

SNK Neo Geo MV-1B Manual

SNK Neo Geo MV-1B Manual

Strider & Tiago Santana

Led Storm (Kit Instructions) (U)

Led Storm (Kit Instructions) (U)

Unknown

Dragon Blaze (Operator's) (J)

Dragon Blaze (Operator's) (J)

Unknown

Category: Road Runner Operators Manual

TM-285

TM-285

Erik Schneider

TM-285

TM-285

Erik Schneider

TM-285

TM-285

Erik Schneider

Book Details

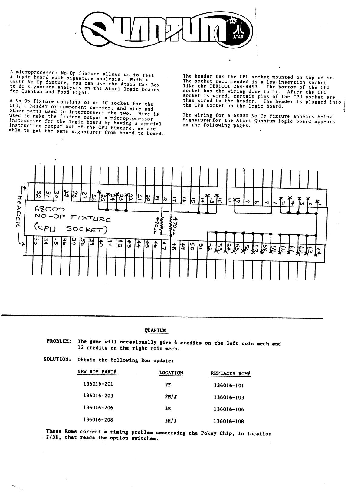
...