Toggle Navigation
The Arcade Manual DataBase.net
Search
Search
Advanced Search
Guest
Uploading...
Please do not refresh the page
.
Browse
Books
Hot Books
Top Rated Books
Discover
Categories
Series
Authors
Publishers
Languages
Ratings
File formats
Shelves
Download :
PDF (2.6 MB)
Read in Browser - pdf
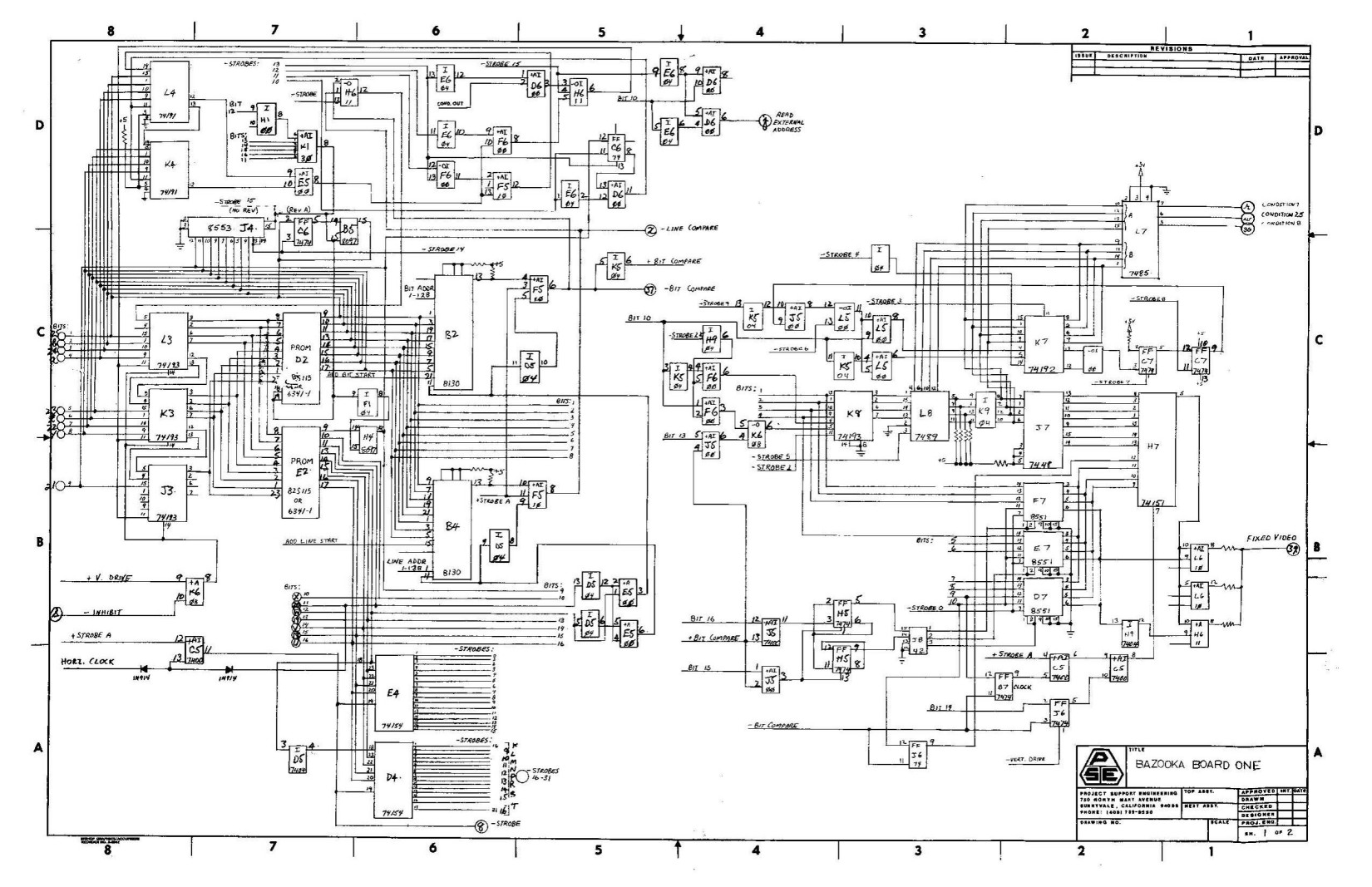
Bazooka (Schematics) (U)
Unknown
×
Book Details
...